[원본도면]

돌출하기 기능과 3d라운딩에 대해 알아본다.
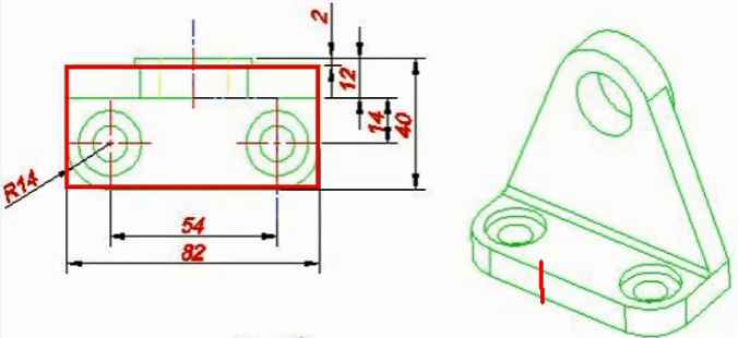
이 도형에서 어떤 부분을 먼저 그려야 하나?
평면도의 테두리를 그린다.
테두리 부분의 라운딩을 3d에서 작업한다.

위의 사각형 부분을 스케치하고 두께 10mm로 돌출작업을 한다.
필렛 작업을 해준다.
필렛의 유형은 '부동반경'으로 작업을 한다.
'부동반경' - 반지름이 하나인 것
'부동반경'에 대해 알아본다.
필렛 작업을 할때 '전체 미리보기'는 체크되어 있어야 아래의 노란색 부분이 보인다.

'유동반경'에 대해 알아본다. 많이 쓰이지는 않는다.
시작 위치와 끝 위치에 치수를 넣으면 아래와 같이
치수가 점차로 변경되면서 라운딩 변형이 이루어진다.

'둥근 필렛'에 대해 알아본다.
반지름 값을 모를때 사용한다.
시작과 중간, 끝에 해당되는 면을 클릭하면 라운딩이 이루어진다.

다음은 세트백 변수에 대해 알아본다.
부동반경(2mm) 작업이 되어 있는 상태에서
'세트백 변수'란 라운딩이 모이는 3곳에서의 라운딩을 잡는것.
세트백 변수의 값을 지정해 본다.

다시 원래의 필렛작업으로 돌아와서 '부동반경' 라운딩 작업을 한다.
그리고 스케치로 들어가서 구멍을 뚫을 곳에 점을 찍는다.
스케치 종료 등각보기 한다.

피처-구멍가공마법사를 클릭해서 작업을 한다.
구멍치수는 옆의 도면을 참고한다.
구멍은 '카운터 보어' 작업이다.
아래 표시된 부분을 체크해서 구멍스펙을 정의한다.

위치 탭에 가서 적용을 한다.

뚫린 구멍이 잘 뚫렸는지 확인해 본다.
구멍 뚫기 작업을 원을 그려 돌출-컷으로 그릴 수 있다.

다음은 바닥에서 위쪽으로 올라오는 도형을 그려본다.
작업할 면(그림의 뒷쪽)을 클릭하고 Ctrl+8을 눌러 작업한다.

작업할 면을 클릭해서 스케치 작업으로 들어오고 아래와 같이 작도한다.
중심선의 시작위치를 잘 보라.
아래 바닥면 끝 위에서 올라와야 하니
중심선은 바닥면 위쪽에서 부터 시작한다.
원을 그리고 선으로 동적 대칭복사로 양쪽 선작업을 한다.
아래의 선도 그려주어 폐곡선을 만들어준다.

스케치 종료후 Ctrl+7을 눌러 등각보기 한다.
원을 제외한 돌출 작업을 해준다.
주의할 점은 '얇은 피처'는 체크해제 되어야 돌출 시 모양이 어그러지지 않는다.
돌출 후 스케치가 사라지면 디자인 창의 '스케치'-보이기를 눌러준다.

원을 돌출 시키는 방법은 두가지가 있다.
첫번째, 시작위치를 스케치 평면(스케치가 있는 위치)에서 두방향으로 치수를 주는 방법.
방향1(2mm), 방향2(10mm)로 준다.

두번째, 시작위치를 오프셋으로 떨어뜨려서 치수를 주는 방법이다.
즉, 시작위치를 바꾸어서 작업을 하는 경우이다.
이 기능은 유용하게 사용할 수 있다.

마지막으로 바닥면과의 접하는 부분을 필렛(2mm)을 적용한다.
완성된 이미지는 아래와 같다.

'솔리드웍스 > 따라하기 AutoCad(매운탕)' 카테고리의 다른 글
| [매운탕 솔리드웍스] 19강- 기준면이란? (필수강의) (0) | 2020.03.11 |
|---|---|
| [매운탕 솔리드웍스] 18강- 중간복습(문제풀이) (0) | 2020.03.11 |
| [매운탕 솔리드웍스] 16강- 돌출 연습문제 (0) | 2020.03.11 |
| [매운탕 솔리드웍스] 15강-시작위치 변경 돌출과 마우스 훨 방향변경 (0) | 2020.03.10 |
| [매운탕솔리드웍스] 14강. 돌출과 돌출컷2부 (0) | 2020.03.10 |