반응형
    
    
    
  [원본도면]

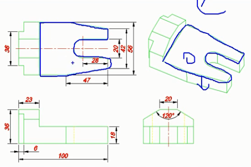
스케치를 찾아내는 연습을 한다.
1단계. 먼저 그릴 부분을 선택한다.
등각도의 표시부분을 그리는데
이 모양은 평면도에 나타나 있다.

솔리드웍스의 윗면을 선택하고 스케치 작업을 한다.
동적 대칭 복사를 이용해서 그리고 치수 기입을 한다.
파란색 선이 없어질때까지 치수 기입을 한다.
치수 기입이 끝나면 스케치 종료 - 등각보기(Ctrl+7)을 하고 다음작업을 한다.

등각도에서 돌출을 준다.

다음작업은 위쪽으로 돌출되는 부분을 그려준다.
현재까지 작업된 모델링의 끝(정면도에서 왼쪽 끝)에서 아래의 작업을 한다.

원하는 면을 클릭하고 스케치 작업을 한다.
동적 대칭복사로 작업을 한다.
선으로 모양을 만들때 면을 이루도록 폐곡선으로 그려야 돌출이 용이하다.
아래 그림에서와 같이 선을 밑에까지 그려준다.


치수 기입하고 스케치 종료 후 등각보기로 돌아온다.

원하는 부분을 돌출한다. 중간 부분과 양 옆부분이 두께가 다르다.
중간 부분을 먼저 돌출(23mm)시킨다.
돌출시킬 때 'body 합치기'가 체크되어 있어야 한다.

중간 부분의 돌출 작업 후
양쪽 옆 부분을 돌출(17mm)시킨다.

완성된 그림은 아래와 같다.

'솔리드웍스 > 따라하기 AutoCad(매운탕)' 카테고리의 다른 글
| [매운탕 솔리드웍스] 18강- 중간복습(문제풀이) (0) | 2020.03.11 | 
|---|---|
| [매운탕 솔리드웍스] 17강- 3D라운딩과 구멍가공마법사등 (0) | 2020.03.11 | 
| [매운탕 솔리드웍스] 15강-시작위치 변경 돌출과 마우스 훨 방향변경 (0) | 2020.03.10 | 
| [매운탕솔리드웍스] 14강. 돌출과 돌출컷2부 (0) | 2020.03.10 | 
| [매운탕솔리드웍스] 13강. 돌출과 돌출컷1부 (0) | 2020.03.10 |