매운탕 공부방 블로그 : ryuredann.tistory.com
매 작업마다 옵션을 설정하고 있다.
'옵션-문서속성-치수'에서 소수점표시-치수->삭제, 글꼴->크기 10으로 조정함
연습도면이기 때문에 치수나 글자크기를 작게 하는게 좋은 것 같다.
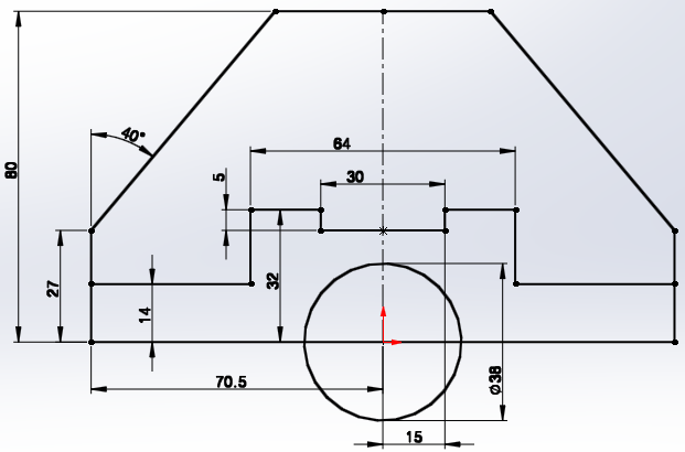
[문제도면]

[아래 방법은 잘 되지 않는다-다른 방법으로 다시 작업함]
평면도의 바닥면을 먼저 그려 본다. (위쪽의 원모양은 배제)
치수는 정면도를 참고한다.

중간 부분을 제외하고 돌출한다.

작업을 처음부터 다시 한다.
정면 모양을 먼저 그려본다.

스케치 작업시 원형 부분은 트림을 하지 않아도 된다.
내가 원하는 영역이 나오면 그 이외의 부분은 선정리를 하지 않아도 된다.

'스케치종료-등각보기-돌출보스'에서 원하는 부분을 돌출한다.
돌출은 82mm만큼 준다.

기둥 부분을 돌출(19mm)해준다.

다음은 맨 위쪽에 둥글게 튀어 나온 부분을 스케치 작업을 한다.
작업면을 클릭해서 스케치 작업을 한다.

이 부분은 평면도를 참고한다.
코너 사각형을 그려서 선을 일치시키기 위해 구속조건(수직)을 부여한다.
가로 사이즈를 몰라도 수직조건으로 가로 사이즈를 적용할 수 있다.

원을 그리고 치수를 기입한다.

스케치 완료 - 등각보기 한다.

피처-돌출작업이 잘 안되어서 이전으로 돌아가 원을 트림작업(근접 잘라내기)한다.

전체적으로 돌출 시키고 가운데 원에 대한 '돌출컷'을 적용해 본다.
컷돌출은 그림과 같이 방향을 '다음까지'로 하면 관계된 부분의 끝까지 관통된다.
여기서 방향을 '관통'으로 하면 밑에 있는 부분까지 모두 관통된다. 주의한다.
또는 치수를 18mm 또는 19mm로 주고 방향을 '블라인드형태'로 주어도 된다.

다음은 '3D필렛'을 한다.


다음은 카운터 보어 작업을 한다. 둥근머리 나사의 볼트머리가 뭍이는 곳.
두가지 방법이 있다.
구멍이 뚫릴 곳에 점을 찍고 나온다.
스케치 종료 - 피처 - 구멍가공마법사 클릭 - 구멍유형(카운터보어)
크기에 따라서 사용자 정의 크기가 정해져 있다.
도면의 수치와 사용자 정의의 크기값과 일치가 되어 있다.

완료를 하면 아래와 같다.

이번에는 점을 찍지 않고 작업을 해본다.
바로 구멍가공마법사로 들어가서 카운터보어 크기와 규격 등을 설정한다.
방법1. 위치 탭으로 가서 구멍을 뚫릴 위치의 면을 클릭한다.('3D Sketch'를 누르지 않는다)
카운터 보어마크를 왼쪽과 비슷한 위치에 클릭하고 esc로 나온다.
완료를 누르지 않고
카운터보어의 중간의 파란점을 잡혀진 상태에서 바깥에 있는 원을 클릭한다.
구속조건-동심을 눌러준다.

구속조건부가 완료후 - 위치 완료 클릭
방법2. 치수를 입력해서 구멍 위치를 잡는 방법이다.
구멍의 중심과 면의 치수를 입력해서 위치를 잡는다.

거의 완료가 되었는데 스케치 작업이 된곳이 보이면 숨기기 처리한다.
[완성도면]

'솔리드웍스 > 따라하기 AutoCad(매운탕)' 카테고리의 다른 글
| [매운탕 솔리드웍스] 20강- 회전체(Revolve) 및 연습문제 풀이 (0) | 2020.03.11 |
|---|---|
| [매운탕 솔리드웍스] 19강- 기준면이란? (필수강의) (0) | 2020.03.11 |
| [매운탕 솔리드웍스] 17강- 3D라운딩과 구멍가공마법사등 (0) | 2020.03.11 |
| [매운탕 솔리드웍스] 16강- 돌출 연습문제 (0) | 2020.03.11 |
| [매운탕 솔리드웍스] 15강-시작위치 변경 돌출과 마우스 훨 방향변경 (0) | 2020.03.10 |