반응형
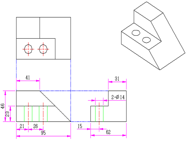
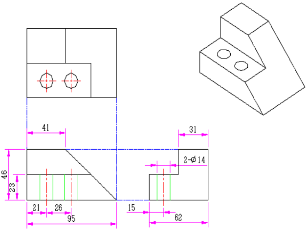
[원본도면]

1단계. 정면도를 보고 스케지 작업을 한다.
스케지 종료후 Ctrl-7을 눌러 등각보기 하고 작업을 한다.

우측면도에 참고하여 아래 영역을 돌출시킨다.

돌출을 하면 기존의 스케치가 사라진다.
이 스케치를 나타나게 하려면 디자인 트리에서 보스-돌출이 생긴다.
'보스-돌출' - 스케치 - 눈모양 클릭
다시 원하는 영역에 돌출작업을 한다.

문제1. 위쪽 돌출을 5mm 떨어지게 하라
'보스-돌출' 창의 '시작'의 위치를 바꾸면 된다.
'스케치평면'을 '오프셋'으로 변경
이때 바디합치기 체크를 확인한다.

문제2. 왼쪽 끝을 기준으로 돌출하라
'보스-돌출' 창의 '시작' - '스케치평면'을 '꼭지점'으로 변경
원하는 꼭지점을 찍고 '방향1'로 방향조정을 한다.
오프셋보다는 계산을 덜 하게 된다.

다시 본래 도면으로 돌아와서 기존작업을 한다.
구멍을 두개 뚫는 작업을 한다.
면을 클릭 - 스케치 클릭
여기서 마우스 휠 확대 방향을 바꾸는 방법을 알아본다. (캐드의 휠 방향과 같게 한다.)
옵션-시스템옵션-뷰-마우스 휠 확대 방향 바꾸기 (체크)
원 두개에 대한 스케치 작업을 완성하고 스케치 종료를 한다.
다시 등각보기(Ctrl+7) 화면으로 돌려서 다음 작업을 한다.

원에 대한 구멍 작업을 한다.
피처 - 돌출컷 - 원하는 원 선택 (자동으로 될수 있음)

'솔리드웍스 > 따라하기 AutoCad(매운탕)' 카테고리의 다른 글
| [매운탕 솔리드웍스] 17강- 3D라운딩과 구멍가공마법사등 (0) | 2020.03.11 |
|---|---|
| [매운탕 솔리드웍스] 16강- 돌출 연습문제 (0) | 2020.03.11 |
| [매운탕솔리드웍스] 14강. 돌출과 돌출컷2부 (0) | 2020.03.10 |
| [매운탕솔리드웍스] 13강. 돌출과 돌출컷1부 (0) | 2020.03.10 |
| [매운탕솔리드웍스] 12강. 스케치할때 알아두면 좋은 옵션 (0) | 2020.03.10 |