반응형
[요구사항]
1~3번 생략.
4. 작업압력(서비스 유닛)을 (0.5+0.05)MPa로 설정하시오.
5. 실린더 B 전진 시 일방향 유량조절밸브(모듈형 타입)를 사용하여 Meter-out 회로가 되도록 하고,
실린더 A 후진 시 급속배기밸브를 사용하여 실린더의 속도를 제어하시오.
6. 타이머를 사용하여 실린더 A(1A)가 전진 후 3초 뒤에 실린더 B(2A)가 전진하도록 하고,
에어 제트 3Z는 실린더 B(2A)가 전진운동하는 동안에만 작동하도록 전기회로를 구성하고 동작시키시오.
(다만 회로구성 상 에어제트는 부저로 대체하시오)
[위치도]

[제어조건]
소재는 수동으로 고정구에 삽입된다. 작업시작 버튼(PBS)을 ON-OFF 하면 클램핑 실린더 A(1A)가 전진 운동한다.
소재가 고정되면 드릴 이송 실린더 B(2A)가 전진 운동하여 드릴 가공이 되도록 드릴을 이송한다.
드릴 이송이 완료되어 드릴작업이 완료되면 실린더는 원래의 위치로 복귀한다.
드릴 이송 실린더의 복귀가 완료되면 실린더 A(1A)의 후진운동으로 클램핑도 해제된다.
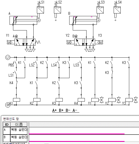
A+ B+ B- A-
[공압회로도]

[전기회로도]

가 - K2 b접점
나 - K4 a접점
다 - 에어드라이어 (3번)
라 - 드레인 배출기 붙이 필터 용도 ( )
마 - 감압밸브
동작 : PBS A+ B+ B- A-
[시뮬레이션]

기본 동작까지만 하고
나머지 응용동작은 이후에 올릴예정임.
[작업 파일]
'공유압 > 공압 기출문제 정리 (18회)' 카테고리의 다른 글
| 기출문제 8번 공압 회로구성 (0) | 2020.03.21 |
|---|---|
| 기출문제 9번 공압 회로구성 (0) | 2020.03.21 |
| 기출문제 11번 공압 회로구성 (0) | 2020.03.21 |
| 기출문제 12번 공압 회로구성 (0) | 2020.03.21 |
| 기출문제 13번 공압 회로구성 (0) | 2020.03.21 |