[요구사항]
1~3번 생략.
4. 작업압력(서비스 유닛)을 (0.5±0.05)MPa로 설정하시오.
5. 실린더 B 전진 시 과도한 압력으로 공작물이 파손되는 것을 방지하기 위해
압력조절밸브(감압밸브)와 압력게이지를 사용하여 (0.2±0.05) MPa로 압력을 변경하시오.
6. 전기타이머를 사용하여 실린더가 전진 완료 후 5초간 정지한 후 후진하도록
전기회로를 구성하고 동작시키시오. (A+ B+ T5s B- A-)
[위치도]

[제어조건]
공압 실린더를 이용하여 목공선반을 자동으로 운전하고자 한다.
실린더 A, B는 초기에 모두 후진하여 있고 동작 스위치(PBS)를 On-Off하면
실런더 A가 전진하여 공작물을 고정하고 실린더 B가 전진 및 후진하여 공작물을 가공한다.
그리고 가공을 완료한 후 실린더 A가 후진하여 고정을 해제한다.
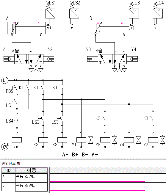
A+ B+ B- A-
[공압회로도]

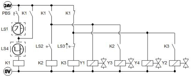
[전기회로도]

가 - LS1 a접점
나 - LS4 b접점
다 - 드레인 배출기 붙이 필터 (6번)
라 - 에어드라이어 용도 (압축공기 중에 포함된 수분을 제거하여 건조시킨다)
마 - 냉각기(수랭식 애프터 쿨러)
cf) 애프터 쿨러는 수랭식과 공랭식이 있다.
에어드라이어(air dryer, 공기 건조기) - 냉동식, 흡착식, 흡수식 공기 건조기가 있다.
회로가 복잡해서 동작순서를 분석해 본다.
동작 순서(A+ B+ B- A-)에 맞게 솔밸브를 배치한다.
릴레이도 순서에 맞게 K1, K2, K3 순으로 배치한다.

실린더 A가 전진하여 LS2의 접점이 붙어 K2릴레이가 여자된다.
K2 접점과 Y3솔레노이드를 연결시켜서
실린더 B가 전진하게 한다.
실린더 B가 전진해서 LS4의 접점이 붙으면
전진에 관계되는 A+, B+부분(빨간색)을 끊어준다
그 부분이 8번 LS4 b접점이다.
전진 회로가 끊어졌기 때문에 후진 신호로 실린더를 후진시킬 수 있다.

동작 : PBS A+ B+ B- A-
[시뮬레이션]

기본 동작까지만 하고
나머지 응용동작은 이후에 올릴예정임.
[작업 파일]
[응용동작 영상]

'공유압 > 공압 기출문제 정리 (18회)' 카테고리의 다른 글
| 기출문제 7번 공압 회로구성 (0) | 2020.03.21 |
|---|---|
| 기출문제 8번 공압 회로구성 (0) | 2020.03.21 |
| 기출문제 10번 공압 회로구성 (1) | 2020.03.21 |
| 기출문제 11번 공압 회로구성 (0) | 2020.03.21 |
| 기출문제 12번 공압 회로구성 (0) | 2020.03.21 |