반응형
[요구사항]
1~3번 생략.
4. 작업압력(서비스 유닛)을 (0.5+0.05)MPa로 설정하시오.
5. 실린더 A 전진 시 일방향 유량조절밸브(모듈형 타입)를 사용하여 Meter-out 회로가 되도록 하고,
실린더 B 후진시 급속배기밸브를 사용하여 실린더의 속도를 제어하시오.
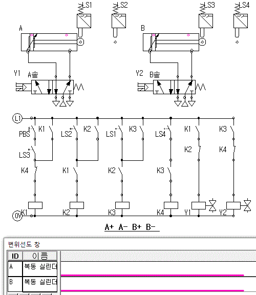
6. 회로도에서 A 실린더의 왕복운동을 제어하기 위하여 스프링 복귀형의 솔레노이드 밸브를 사용하였다.
이를 메모리 기능이 있는 복동 솔레노이드 밸브를 사용하여 회로를 재구성하고 작동시키시오.
[위치도]

[제어조건]
소재는 수동으로 성형 프레스 작업기에 삽입된다.
작업시작 버튼(PBS)을 ON-OFF하면 실린더 A가 전진 운동하여 작업을 수행한다.
작업이 끝나고 실린더 A가 원래의 위치로 복귀하면
실린더 B가 전진 운동하여 작업이 완성된 소재를 제거하고 원래의 위치로 복귀한다.
A+ A- B+ B-
[공압회로도]

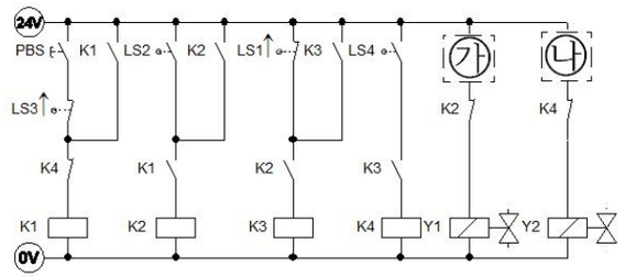
[전기회로도]

가 - K2 b접점
나 - K4 a접점
다 - 루브리게이터(윤활기) (5번)
라 - 공기탱크 용도 (압축 공기 저장)
마 - 릴리프밸브
동작 : PBS A+ A- B+ B-
[시뮬레이션]

기본 동작까지만 하고
나머지 응용동작은 이후에 올릴예정임.
[작업 파일]
'공유압 > 공압 기출문제 정리 (18회)' 카테고리의 다른 글
| 기출문제 9번 공압 회로구성 (0) | 2020.03.21 |
|---|---|
| 기출문제 10번 공압 회로구성 (1) | 2020.03.21 |
| 기출문제 12번 공압 회로구성 (0) | 2020.03.21 |
| 기출문제 13번 공압 회로구성 (0) | 2020.03.21 |
| 기출문제 14번 공압 회로구성 (0) | 2020.03.21 |