반응형
[요구사항]
1~3번 생략.
4. 작업압력(서비스 유닛)을 (0.5+0.05)MPa로 설정하시오.
5. 박스 공급 작업 후 정지 시간에 램프가 점등하는 회로를 구성하시오.
6. 제품 공급실린더는 전진시 Meter-out으로 유량제어를 하는 회로를 구성하시오.
[위치도]

[제어조건]
소재는 수동으로 성형 프레스 작업기에 삽입된다.
누름 버튼 스위치(PBS)를 ON-OFF하면 실린더 B가 전진 운동하여 작업을 수행한다.
실린더 B가 전진한 상태에서 실린더 A가 전진하여 소재를 제품 상자에 떨어뜨린 후 원래의 위치로 복귀하면
실린더 B가 후진 운동하여 초기 위치로 복귀한다.
B+ A+ A- B-
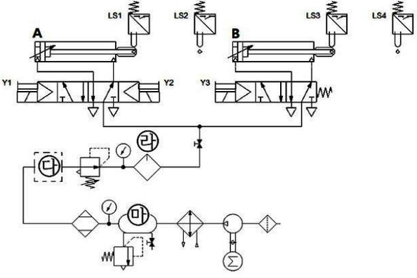
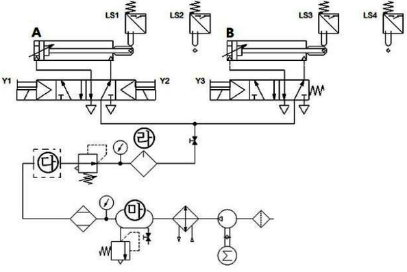
[공압회로도]

[전기회로도]

가 - K2 b접점
나 - K4 a접점
다 - 드레인 배출기 붙이 필터 (6번)
라 - 루브리게이터 용도 ( )
마 - 공기탱크 (1번)
B+ A+ A- B-
[시뮬레이션]

기본 동작까지만 하고
나머지 응용동작은 이후에 올릴예정임.
[작업 파일]
'공유압 > 공압 기출문제 정리 (18회)' 카테고리의 다른 글
| 기출문제 11번 공압 회로구성 (0) | 2020.03.21 |
|---|---|
| 기출문제 12번 공압 회로구성 (0) | 2020.03.21 |
| 기출문제 14번 공압 회로구성 (0) | 2020.03.21 |
| 기출문제 15번 공압 회로구성 (0) | 2020.03.21 |
| 기출문제 16번 공압 회로구성 (0) | 2020.03.21 |