반응형
[요구사항]
1~3번 생략.
4. 작업압력(서비스 유닛)을 (0.5+0.05)MPa로 설정하시오.
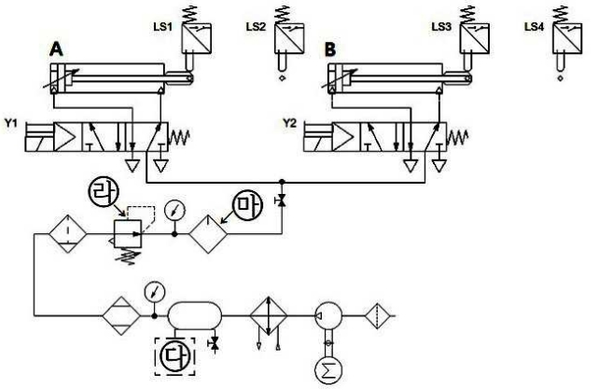
5. 실린더 B 전진 시 일방향 유량조절밸브(모듈형)를 사용하여 Meter-out 회로가 되도록 하고,
실린더 A 후진 시 급속배기밸브를 사용하여 실린더의 속도를 제어하시오
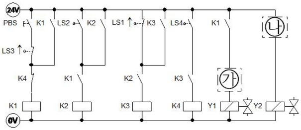
6. 회로도에서 실린더 B의 왕복운동을 제어하기 위하여 5/2way 스프링 복귀형 솔레노이드 밸브를 사용하였다.
이를 메모리 기능이 있는 5/2way 복동 솔레노이드 밸브를 사용하여 회로를 재구성 한 후 동작시키시오.
[위치도]

[제어조건]
시작 스위치 PBS를 누르면 실린더 A가 중력매거진에서 떨어진 부품을 밀어낸 후 즉시 복귀한다.
복귀하고 나면 실린더 B가 전진을 해서 부품을 아래 칸으로 밀어낸다.
밀어낸 후 복귀하면서 시스템이 종료된다.
A+ A- B+ B-
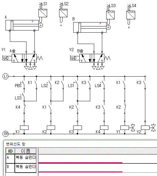
[공압회로도]

[전기회로도]

가 - K2 b접점 (35번)
나 - K3 a접점 (32번)
다 - 릴레프밸브 (9번)
라 - 감압밸드 용도 ( )
마 - 루브리게이터(윤활기) (5번)
A+ A- B+ B-
[시뮬레이션]

기본 동작까지만 하고
나머지 응용동작은 이후에 올릴예정임.
[작업 파일]
'공유압 > 공압 기출문제 정리 (18회)' 카테고리의 다른 글
| 기출문제 13번 공압 회로구성 (0) | 2020.03.21 |
|---|---|
| 기출문제 14번 공압 회로구성 (0) | 2020.03.21 |
| 기출문제 16번 공압 회로구성 (0) | 2020.03.21 |
| 기출문제 17번 공압 회로구성 (0) | 2020.03.21 |
| 기출문제 18번 공압 회로구성 (수업 유형5-1번) (0) | 2020.03.21 |