[요구사항]
1~3번 생략.
4. 작업압력(서비스 유닛)을 (0.5+0.05)MPa로 설정하시오.
5. 실린더 A 전진 시 일방향 유량조절밸브(모듈형)를 사용하여 Meter-out 회로가 되록록 하고,
실린더 B 후진 시 급속배기밸브를 사용하여 실런더의 속도를 제어하시오.
6. 카운터를 사용하여 실린더가 3회 전후진 후 정지할 수 있게 전기회로를 구성하고 동작시키시오.
(단, PBS2를 별도로 추가하여 PBS2가 ON-OFF하면 연속 동작이 시작하고,
카운터의 Reset은 별도의 스위치 추가 없이 자동으로 초기화되도록 한다)
[위치도]

[제어조건]
네모난 박스에 제품 공급 작업을 하려고 한다.
박스는 중력으로 삽입되며 시작 스위치 PBS를 누르면
실린더 A가 전진을 해서 박스 공급을 하고 2초간 정지한 후에 복귀하고
이 후 실린더 B가 전진하여 제품을 밀어 아래쪽 박스에 제품을 투입하고, 실린더 B가 후진한다.
A+ T2s A- B+ B-
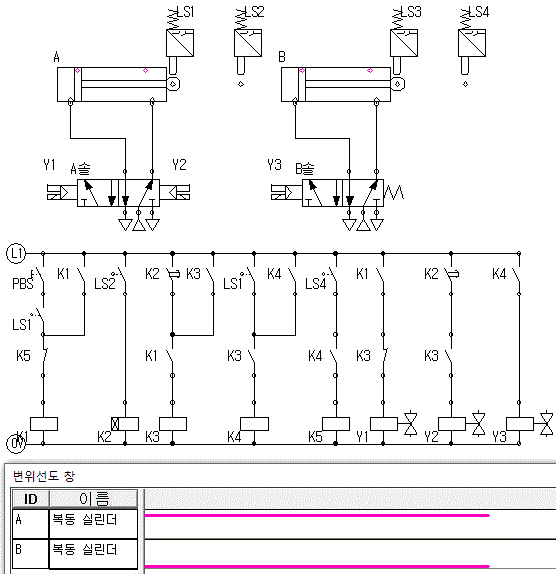
[공압회로도]

[전기회로도]

가 - On-Delay 타이머 (24번)
나 - K2 a접점 (31번)
다 - 공기탱크 (1번)

라 - 냉각기의 용도 ( )
마 - 명칭 (릴리프밸프)
[시뮬레이션]

주의 :
타이머 접점(K2)의 모양이 좀 다르다.
시뮬레이션에서는 한시동작 NO가 거꾸로 되어 있는 듯 하다. 아래의 접점을 사용해야 한다.

그리고 Y2를 동작시키는 K2 접점은 일반 접점으로 되야 한다.
시뮬레이터의 오류인데 그냥 타이머 a접점 모양으로 쓴다.
주어진 도면을 변경한다면 K3를 여자시키는 라인을 변경해야 한다.
K2타이머 렐리이와 K3릴레이 사이에 k2-1이라는 릴레이를 추가로 구성하고
Y2를 동작시키는 접점은 K2-1 a접점으로 바꾸어 줘야 한다.
기본 동작까지만 하고
나머지 응용동작은 이후에 올릴예정임.
[작업 파일]
'공유압 > 공압 기출문제 정리 (18회)' 카테고리의 다른 글
| 기출문제 13번 공압 회로구성 (0) | 2020.03.21 |
|---|---|
| 기출문제 14번 공압 회로구성 (0) | 2020.03.21 |
| 기출문제 15번 공압 회로구성 (0) | 2020.03.21 |
| 기출문제 16번 공압 회로구성 (0) | 2020.03.21 |
| 기출문제 18번 공압 회로구성 (수업 유형5-1번) (0) | 2020.03.21 |