반응형
[요구사항]
1~3번 생략.
4. 작업압력(서비스 유닛)을 (0.5+0.05)MPa로 설정하시오.
5. 연속 5회 작업 후 정지하는 회로를 구성하고,
리셋 버튼을 추가하여 카운터 개수를 초기화 시킬 수 있는 회로를 구성하시오. (연속 정지 기능 포함)
6. 엠보싱 작업중에 3초간 정지를 행하는 회로를 구성하시오.
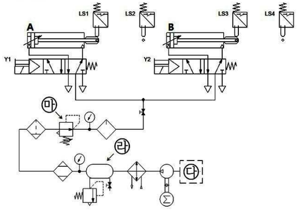
[위치도]

[제어조건]
시작 스위치(PBS)를 ON-OFF하면 실린더 A가 전진하여 재료를 이송한다.
그 후에 실린더 B가 전진하여 엠보싱을 마친 후 후진한 뒤에
A 실린더로 복귀하여 초기상태가 되게 한다.
A+ B+ B- A-
공압회로도

전기회로도

가 - K3 a접점
나 - K3 b접점
다 - 흡입필터

라 - 압축공기 저장
마 - 감압밸브

[작업 파일]
'공유압 > 공압 기출문제 정리 (18회)' 카테고리의 다른 글
| 기출문제 13번 공압 회로구성 (0) | 2020.03.21 |
|---|---|
| 기출문제 14번 공압 회로구성 (0) | 2020.03.21 |
| 기출문제 15번 공압 회로구성 (0) | 2020.03.21 |
| 기출문제 16번 공압 회로구성 (0) | 2020.03.21 |
| 기출문제 17번 공압 회로구성 (0) | 2020.03.21 |