반응형
[요구사항]
1~3번 생략.
4. 작업압력(서비스 유닛)을 (0.5+0.05)MPa로 설정하시오.
5. 실린더 B 전진 시 일방향 유량조절밸브(모듈형 타입)를 사용하여 Meter-out 회로가 되도록 하고,
실린더 B 후진시 급속배기밸브를 사용하여 실린더의 속도를 제어하시오.
6. 비상정지 스위치(유지형 타입, PBS3)와 부저를 추가하여
실린더의 동작 중 비상정지 스위치를 ON하면 부저가 울리면서 동시에 모든 실린더가 즉시 후진하고,
비상정지 스위치를 해제하면 초기화 할 수 있도록 전기회로를 재구성하시오
[위치도]

[제어조건]
작업물은 수동으로 클램핑 장치에 삽입된다.
클램핑 작업은 누름 버튼 스위치(PBS)를 ON-OFF 하면 실린더 A가 전진하여 작업물이 고정되면,
실린더 B에 의해 드릴 작업이 수행된다. 드릴 작업 수행이 완료되면 실린더 B가 후진하고,
이후 실린더 A가 후진하여 고정이 해제된다.
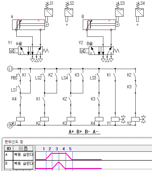
A+ B+ B- A-
[공압회로도]

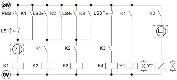
[전기회로도]

가 - K3 a접점
나 - K4 b접점
다 - 감압밸브 (8번)
라 - 에어드라이어 용도 (공기속 이물질, 수분을 건조시켜 공급해줌)
마 - 흡입필터
동작 : A+ B+ B- A-
[시뮬레이션]

기본 동작까지만 하고
나머지 응용동작은 이후에 올릴예정임.
[작업 파일]
'공유압 > 공압 기출문제 정리 (18회)' 카테고리의 다른 글
| 기출문제 10번 공압 회로구성 (1) | 2020.03.21 |
|---|---|
| 기출문제 11번 공압 회로구성 (0) | 2020.03.21 |
| 기출문제 13번 공압 회로구성 (0) | 2020.03.21 |
| 기출문제 14번 공압 회로구성 (0) | 2020.03.21 |
| 기출문제 15번 공압 회로구성 (0) | 2020.03.21 |