반응형

이 게시물의 강의내용은 유투브 동영상 제목이 '솔리드웍스 생산자동화기능사 CAD준비 13번'으로 되어 있다.
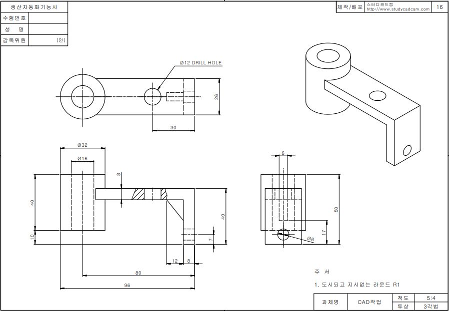
동영상의 번호와 도면의 번호가 맞지 않는다.

먼저 'ㄱ'자 형태를 작업하고
왼쪽의 원기둥을 그리고
구멍을 뚫고 '리부' 부분을 작업한다.
정면에서 'ㄱ'자로 선을 긋고 돌출 작업을 한다.
돌출 길이 26, 얇은 피처의 두께 8로 하여 한번에 수치를 잡아준다.

윗면으로 가서 왼쪽 중앙에 지름32 원을 그리고 돌출시킨다.
위로는 10 아래로는 30을 준다.

위의 원에서 지름16 원을 그리고 관통시킨다.

윗면에 원을 그리고 관통시킨다.

오른쪽에도 원을 그리고 돌출컷을 해준다.
그런데 반대편의 원기둥이 살짝 파였다.
다시 돌출방향을 관통에서 '다음까지'로 수정한다.


아래의 중간에 '리부' 부분을 작업을 위해 '기준면'을 만들어준다.
기준면에서 리부 부분이 될 직선을 아래와 같이 위치시킨다.

스케치 종료 후 직선을 선택하고 피처 - 보강대를 눌러주고
'두께'와 '돌출방향'을 체크해준다.
아래는 두께(6)의 방향은 맞았으나 돌출 방향이 반대로 되어 있어 수정한다.


[완성 도면]

[작업 파일]
'솔리드웍스 > 따라하기 (study cam)' 카테고리의 다른 글
| 생산자동화 기능사 - 과제17번 모델링하기 (cad study-솔리드웍스 ) (0) | 2020.03.19 |
|---|---|
| 생산자동화 기능사 - 과제15번 모델링하기 (cad study-솔리드웍스 ) (0) | 2020.03.19 |
| 생산자동화 기능사 - 과제8번 모델링 뷰꺼내기 (cad study-솔리드웍스 ) (0) | 2020.03.19 |
| 생산자동화 기능사 - 과제8번 모델링하기 (cad study-솔리드웍스 ) (2) | 2020.03.18 |
| 생산자동화 기능사 - 과제7번 모델링 뷰꺼내기 (cad study-솔리드웍스 ) (0) | 2020.03.18 |