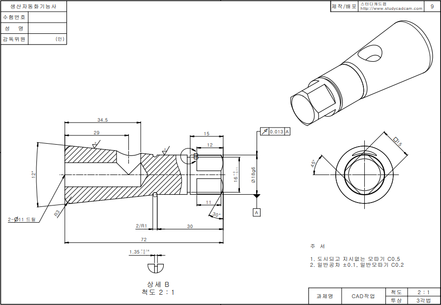
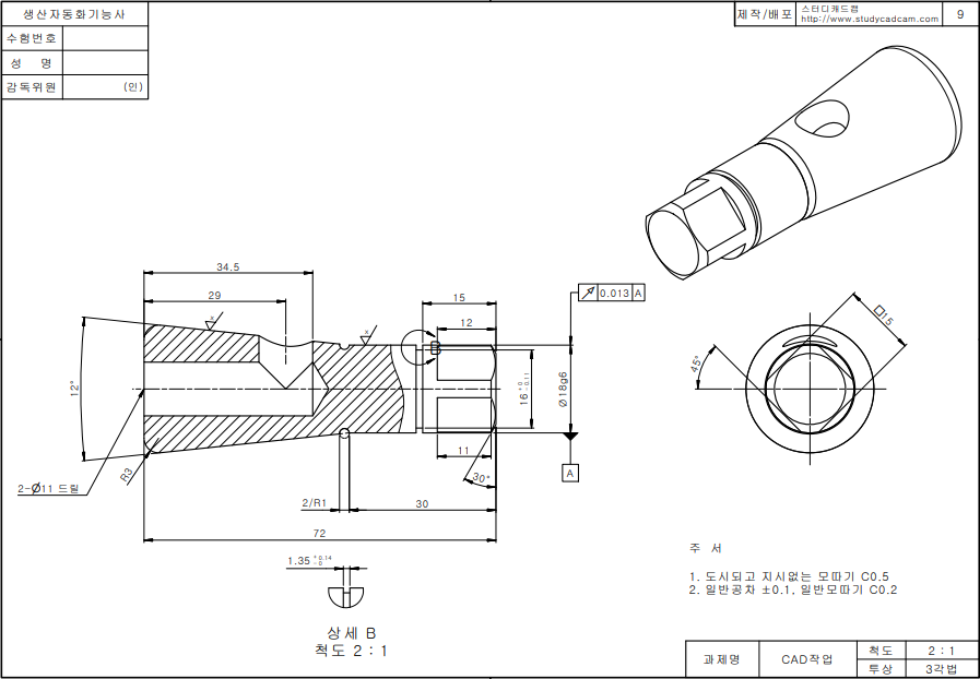
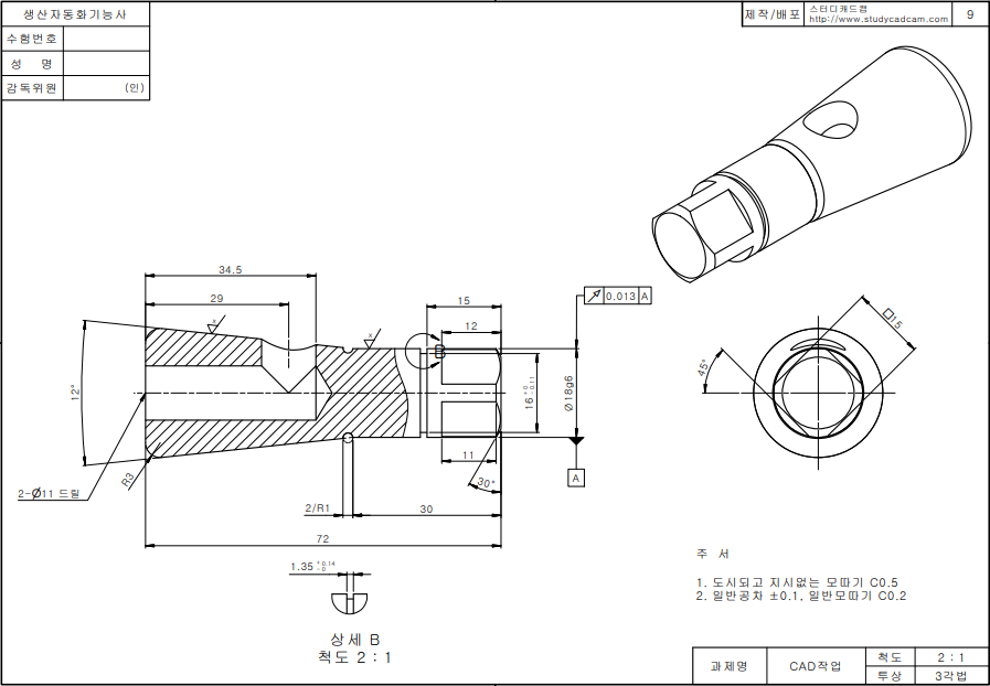
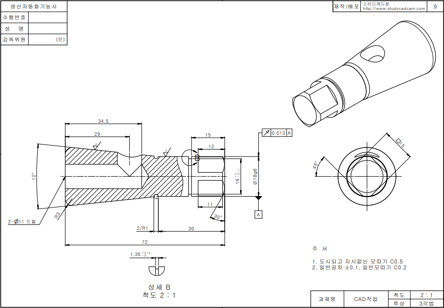
축 모델링하기


초기 기준면(데이텀)을 우측면으로 잡고 스케치한다.
회전이 될 윗면을 아래와 같이 스케치를 한다.

도면의 '상세 B' 스케치 작업을 한다.
파란색 선 부분이 있지만 이전까지의 작업에서 구속조건을 만족했기 때문에
구속조건을 더 부여하진 않겠다.

다음은 회전보스작업으로 회전을 시킨다.
그런데 스케치를 거꾸로 그렸다.
그래서 스케치를 요소 대칭복사로 반전이동시키고 회전을 한다.
(굳이 이 작업이 필요하지는 않다. 반전시키지 않고 작업을 해도 된다.)

오른쪽 큰 바닥원을 필렛(3mm)을 준다.

앞부분의 4각형 모양으로 깍는 작업을 한다.
가장 쉬운방법은 십자로 중심선을 그리고
다각형으로 사각형을 만들어 내접원의 사이즈를 15로 준다.

그리고 요소변환으로 외곽원을 클릭하면 원에 대한 선이 생성된다.

이 상태에서 돌출컷으로 12만큼 잘라준다.

앞 부분 모따기를 해준다. (C1, 30도)

윗면으로 가서 중심선을 그리고 지름 11의 원을 그린다.

스케치 종료 후에 돌출컷-블라인드로 구멍을 뚫어준다.

뒷면으로 가서 중심에 원을 스케치 한다.
'구멍가공마법사'에서 구멍유형은 '구멍'으로 하고 아래와 같이 설정한다.

위치에서 3D Scetch를 선택하고 원을 클릭해서 구멍을 뚫어준다.

단면을 확인해 보면 원본 도면과 같다.

[완성 모델링]

[솔리드웍스 작업파일]
'솔리드웍스 > 실습(생자기능사CAD_45문제)' 카테고리의 다른 글
| 생산자동화기능사 CAD작업(07번) 모델링 (0) | 2020.06.02 |
|---|---|
| 생산자동화기능사 CAD작업(08번) 모델링 (0) | 2020.06.02 |
| 생산자동화기능사 CAD작업(10번) 모델링 (0) | 2020.06.02 |
| 생산자동화기능사 CAD작업(11번) 모델링 (0) | 2020.06.02 |
| 생산자동화기능사 CAD작업(12번) 모델링 (0) | 2020.06.02 |