반응형


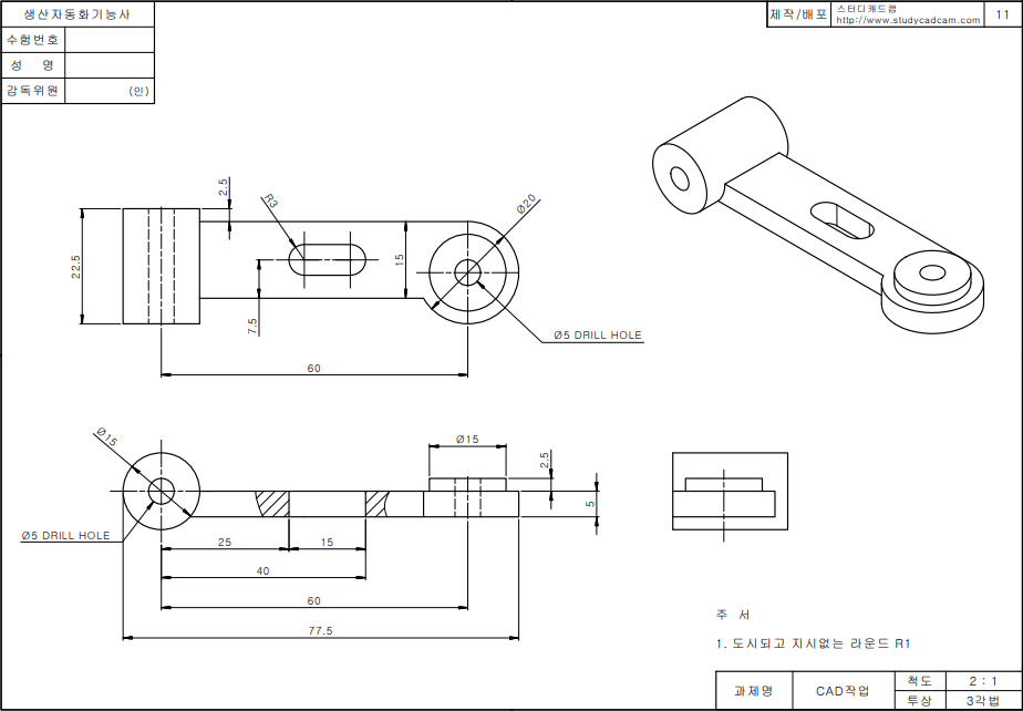
이런 도면을 작업 순서가 중요하다.
정면도 왼쪽 부분을 보면 한번에 작업을 할 수 없다.
왼쪽 원통 모양을 먼저 잡고 오른쪽 형상을 작업한다.
작업의 기준면(데이텀)을 정면으로 한다.
정면도에서 원 2개를 스케치 한 후 돌출하여 속이 빈 원기둥을 만든다.

그 다음 형상은 윗면을 선택하고 오른쪽 부분을 스케치한다.

스케치 종료 후 돌출을 아래방향으로 5만큼 한다.

오른쪽 원 모양에서 지름 15인 원을 스케치하고 2.5만큼 위로 돌출시킨다.

돌출보스 완료 후에 가운데 지름5인 드릴 구멍을 파준다.

[완성된 모델링]

[솔리드웍스 작업파일]
'솔리드웍스 > 실습(생자기능사CAD_45문제)' 카테고리의 다른 글
| 생산자동화기능사 CAD작업(09번) 모델링 (0) | 2020.06.02 |
|---|---|
| 생산자동화기능사 CAD작업(10번) 모델링 (0) | 2020.06.02 |
| 생산자동화기능사 CAD작업(12번) 모델링 (0) | 2020.06.02 |
| 생산자동화기능사 CAD작업(13번) 모델링 (0) | 2020.06.02 |
| 생산자동화기능사 CAD작업(14번) 모델링 (0) | 2020.06.02 |