반응형


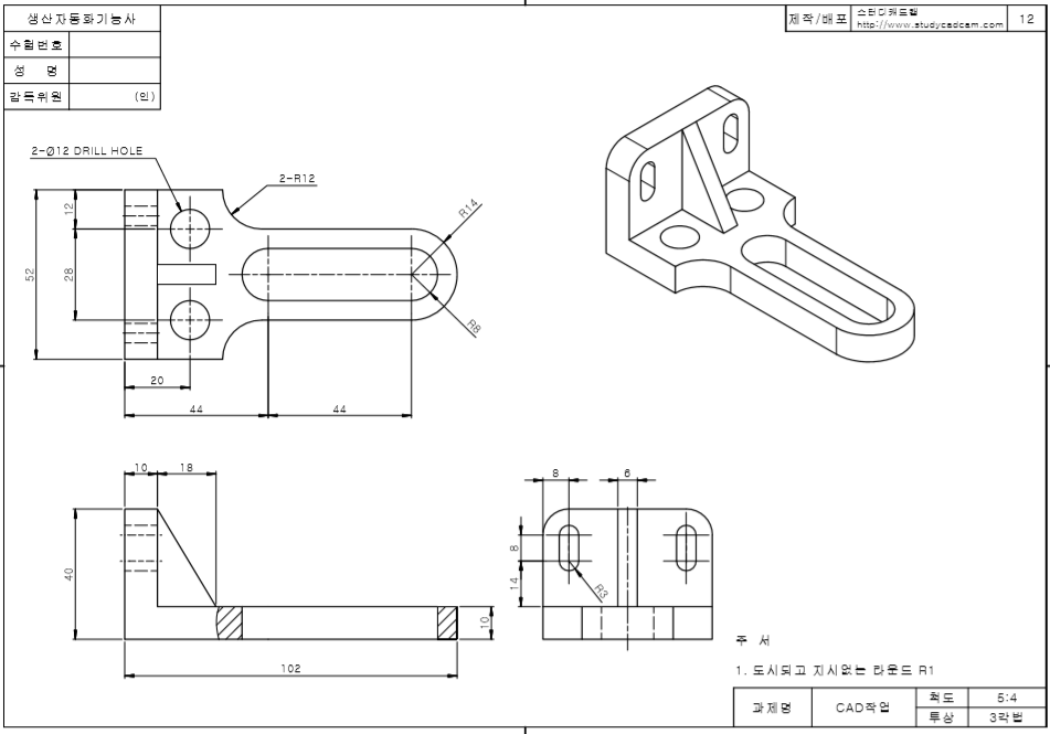
정면을 초기 작업면(데이텀)으로 잡고 스케치를 시작한다.
전체적인 형상이 될 스케치를 한다.

스케치 종료 후 돌출보스를 52만큼 적용한다.


오른쪽 윗면을 아래와 같이 스케치 한다.
스케치 종료 후 돌출컷을 시켜준다.


돌출컷으로 잘려나갈 부분과 남는 형상을 구분하기 위한 스케치를 한다.
사각형은 폐곡선을 만들고 돌출컷으로 잘라낸다.


다시 중간의 모서리를 돌출 컷 해주어야 한다.
모서리에 원 두 개를 아래와 같이 스케치한다.

돌출 컷으로 짤라낸다.

원 두 개를 아래와 같이 스케치하고 돌출컷을 한다.

선으로 삼각형을 그려 돌출시켜 보강대를 만들어준다.

직선홈을 그리고 돌출컷을 해준다.

초기에 주어지는 '정면', '윗면', '우측면'이 있는데
'정면' 대칭복사를 할때 대칭 복사할 면으로 이용한다.

[완성 모델링]

[솔리드 웍스 작업파일]
'솔리드웍스 > 실습(생자기능사CAD_45문제)' 카테고리의 다른 글
| 생산자동화기능사 CAD작업(10번) 모델링 (0) | 2020.06.02 |
|---|---|
| 생산자동화기능사 CAD작업(11번) 모델링 (0) | 2020.06.02 |
| 생산자동화기능사 CAD작업(13번) 모델링 (0) | 2020.06.02 |
| 생산자동화기능사 CAD작업(14번) 모델링 (0) | 2020.06.02 |
| 생산자동화기능사 CAD작업(15번) 모델링 (0) | 2020.05.11 |