반응형
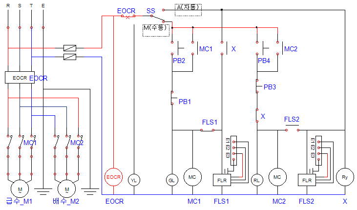
1. 요구사항
① SS(왼쪽 : M(수동))일때
- PB2를 누르면 MC1이 여자되어 GL이 점등되고, M1(급수)이 동작, PB1을 누르면 초기화된다.
- PB4를 누르면 MC2가 여자되어 RL이 점등되고, M2(배수)가 동작, PB3을 누르면 초기화된다.
② SS(오른쪽 : A(자동))일때
- 급수일 때 저수 시 X가 여자, FLS1이 소자, MC1이 여자, GL이 점등, M1이 동작된다.
- 배수일 때 만수 시 X가 여자, FLS2이 여자, MC2가 여자, RL이 점등, M2이 동작된다.
(전동기 정지 : 급수 FLS1 여자, 배수 FLS2 소자)
③ EOCR가 동작할 때 YL이 점등된다.
2. 도면
(1) 동작회로도

① SS(왼쪽 : M(수동))일때

② SS(오른쪽 : A(자동))일때

[전기시퀀스 동영상 파일]
급배수처리장치_수업200130(수동).mp4
0.42MB
급배수처리장치_수업200130(자동).mp4
1.11MB
[전기시퀀스 프로그램_ESS 작업파일]
작업 프로그램은 주식회사 ED에서 만든
전기시퀸스제어 시뮬레이션 ESS (Version 1.42)이다.
3개월 무료버전으로 사용할 수 있다
'전기 & 전자 > 전기시퀀스제어' 카테고리의 다른 글
| 전기 기능사 실기 - 전동기제어(정역2) 11핀+인터록 (2) | 2020.04.01 |
|---|---|
| 급배수처리장치_수업200204 (0) | 2020.03.31 |
| 전기 기능사 실기 - 전동기제어(리밋) _ 수업200210 (0) | 2020.03.28 |
| 전기 기능사 실기 - 승강기 제어 (1) | 2020.03.28 |
| 전기 기능사 실기 - 온도조절기 (수업 0128) (0) | 2020.03.28 |