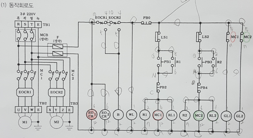
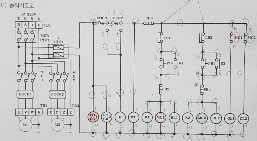
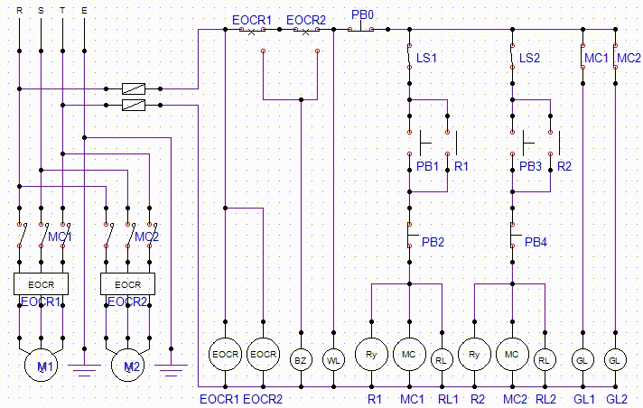
1. 요구사항
① 전원을 투입하면 GL1과 GL2가 점등된다.
② PB1을 누르면 R1과 MC1이 여자되어 전등기 M1이 동작되고, RL1 점등, GL1 소등된다.
LS1나 PB2가 눌러지면 초기화된다.
③ PB3을 누르면 R2와 MC2가 여자되어 전등기 M2이 동작되고, RL2 점등, GL2 소등된다.
LS2나 PB4가 눌러지면 초기화된다.
④ 동작 중 PB0를 누르면 초기화된다.
⑤ EOCR1이나 EOCR2를 동작하면 초기화 되고 부저 B만 동작한다.
2. 동작회로도



[전기시퀀스 프로그램_ESS 작업파일]
[전기시퀀스 동영상 파일]
작업 프로그램은 주식회사 ED에서 만든
전기시퀸스제어 시뮬레이션 ESS (Version 1.42)이다.
3개월 무료버전으로 사용할 수 있다
[ 배관작업 ]

작업순서:
1. 제어판을 중간쯤에 설치한다.
설치할 때 제어판에 손이 닿으면 전선이 빠질 수 있기때문에
제어판이 설치될 곳 아래에 수평으로 선을 긋고 나사를 두개 박는다.
그리고 제어판을 나사에 걸치고 모서리에 피스를 박는다.
이렇게 하면 어렵게 제어판 작업을 하고 선이 빠지는 불상사가 일어나지 않는다.
2. 배치도의 치수대로 선을 분필로 그어 놓는다.
3. 배치도에서 선의 끝부분에 컨트롤 박스(3곳)와 단자대(5곳)를 설치한다.
컨트롤 박스 설치시 이음관(흰색부분)까지 설치한다.


4. 그어 놓은 선을 따라 '새들'을 박는다.
새들은 15cm 간격으로 설치한다.
위의 사진 왼쪽 위 작은 원호 부분은 새들을 2개 박아야 한다.
오른쪽 부분도 아래와 같이 새들을 설치한다.

5. 배관 작업을 한다.
배치도의 1번은 PE관 2번은 CD관이다.
일단 구부러진 관(PE관)을 1자로 펴야 한다.
이 때 스프링을 관 속에 넣고 구부러진 곳을 반대로 펴준다.
[ 컨트롤 박스가 있는 배관작업 ]
관을 설치할 때는 컨트롤 박스쪽부터 새들에 부착시켜 박는다.

컨트롤 박스쪽 작업(직선구간)이 끝나면 구부러지는 구간을 작업하다.
관을 구부러뜨릴 때 스프링이 안에 들어있어야 한다.

곡선구간이 끝나면 제어판 쪽 작업(직선구간)을 한다.

제어판에 작업을 할때 관의 끝쪽에 커넥터(?)를 연결하고 살짝 걸쳐준다.
아래쪽 그림에서 오른쪽 3~4번째 정도로 걸쳐준다.



[ 단자대가 있는 배관작업 ]
위와는 반대로 제어판쪽부터 작업한다.
관에 커넥트를 끼우고 제어판에 걸치고 새들에 관을 끼우고 나사로 조여 놓는다.
구부러지는 구간을 작업하고 단자대 쪽 작업을 할때
단자대와 관 끝은 약 5cm 정도 떨어뜨려 놓는다.
이쪽으로 선을 빼서 단자대에 연결하게 된다.


6. 관 설치가 끝나면 전선을 관에 넣어 연결한다.
이하 생략...
'전기 & 전자 > 전기시퀀스제어' 카테고리의 다른 글
| 급배수처리장치_수업200204 (0) | 2020.03.31 |
|---|---|
| 급배수처리장치_수업200130 (0) | 2020.03.30 |
| 전기 기능사 실기 - 승강기 제어 (1) | 2020.03.28 |
| 전기 기능사 실기 - 온도조절기 (수업 0128) (0) | 2020.03.28 |
| 전기 기능사 실기 - 컨베이어 제어회로2 (순차) (0) | 2020.03.28 |