반응형
[요구사항]
1~3번 생략.
4. 작업압력(서비스 유닛)을 (0.5+0.05)MPa로 설정하시오.
5. 실린더 A 전진 시 일방향 유량조절밸브(모듈형)를 사용하여 Meter-out 회로가 되도록 구성하고,
실린더 B 후진 시 급속배기밸브를 사용하여 실린더의 속도를 제어하시오.
6.회로도에서 A 실린더의 왕복운동을 제어하기 위하여 스프링 복귀형 솔레노이드 밸브를 사용하였다.
이를 메모리 기능이 있는 복동 솔레노이드 밸브를 사용하여 회로를 재구성한 후 동작시키시오.
[위치도]

[제어조건]
공압을 이용한 자동 이송장치 회로를 설계하려 한다. 공작물은 자유 낙하에 의하여 매거진 아래로 내려온다.
START 스위치를 On-Off하면, 이송 실린더 A가 공작물을 매거진에서 밀어 이송하고,
원 위치로 복귀한 후 추출 실린더 B가 공작물을 포장박스에 보내고 귀환한다.
A+ A- B+ B-
[공압회로도]

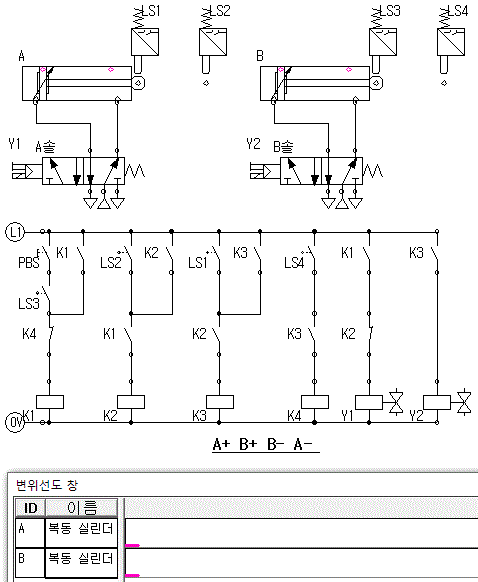
[전기회로도]

가 - K4 b접점
나 - K3 a접점
다 - 감압밸브 (8번)
라 - 에어드라이어(=공기건조기) 용도 (압축 공기 중에 포함된 수분을 제거하여 건조시킨다)
마 - 냉각기 (수랭식 after cooler)
[시뮬레이션]
A+ A- B+ B-

기본 동작까지만 하고
나머지 응용동작은 이후에 올릴예정임.
[작업 파일]
'공유압 > 공압 기출문제 정리 (18회)' 카테고리의 다른 글
| 기출문제 1번 공압 회로구성 (1) | 2020.03.21 |
|---|---|
| 기출문제 3번 공압 회로구성 (0) | 2020.03.21 |
| 기출문제 4번 공압 회로구성 (2) | 2020.03.21 |
| 기출문제 5번 공압 회로구성 (0) | 2020.03.21 |
| 기출문제 6번 공압 회로구성 (0) | 2020.03.21 |