반응형
[요구사항]
1~3번 생략.
4. 작업압력(서비스 유닛)을 (0.5+0.05)MPa로 설정하시오.
5. 실린더 A 전진 시 일방향 유량조절밸브(모듈형)를 사용하여 Meter-out 회로가 되도록 구성하고,
실린더 B 후진 시 급속배기밸브를 사용하여 실린더의 속도를 제어하시오.
6. 전기타이머를 사용하여 A 실린더가 전진 완료 후 3초간 정지한 후에
후진하도록 전기회로를 구성하고 동작시키시오.
[위치도]

[제어조건]
공압을 이용한 프레스 작업기 회로를 설계하려 한다. 금속판은 수동으로 성형 프레스에 삽입된다.
시동스위치(PBS1)를 On-Off 하면, 성형 실린더 A가 금속판을 성형한 후 복귀하게 되고,
추출 실린더 B가 전후진하여 성형된 금속 부품을 추출시킨다.
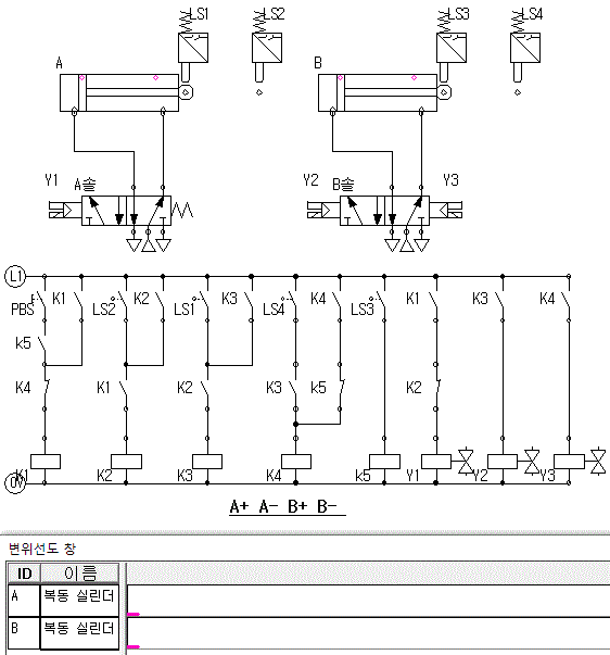
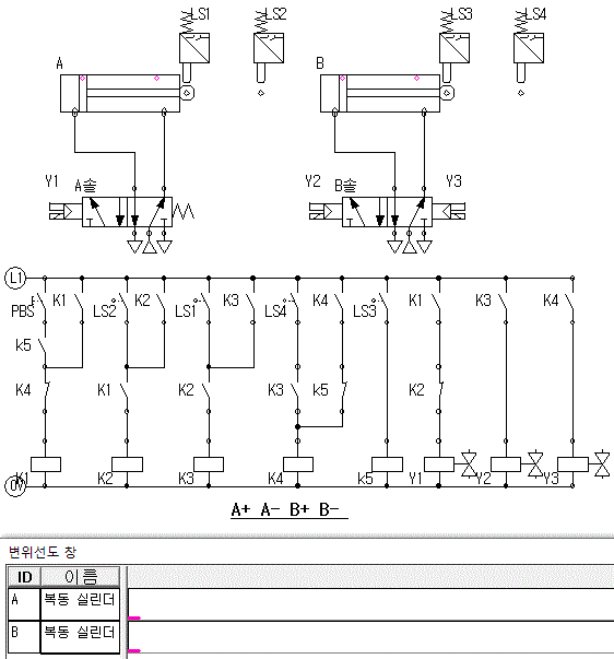
A+ A- B+ B-
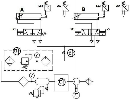
[공압회로도]

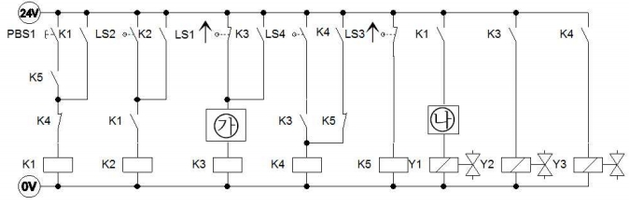
[전기회로도]

가 - K2 a접점
나 - K2 b접점
다 - 냉각기(after cooler) (4번)
라 - 스톱밸브 용도 (비상정지)
마 - 공기조정유닛 (air service unit, air control unit)
[시뮬레이션]
A+ A- B+ B-

기본 동작까지만 하고
나머지 응용동작은 이후에 올릴예정임.
[작업 파일]
'공유압 > 공압 기출문제 정리 (18회)' 카테고리의 다른 글
| 기출문제 1번 공압 회로구성 (1) | 2020.03.21 |
|---|---|
| 기출문제 2번 공압 회로구성 (0) | 2020.03.21 |
| 기출문제 4번 공압 회로구성 (2) | 2020.03.21 |
| 기출문제 5번 공압 회로구성 (0) | 2020.03.21 |
| 기출문제 6번 공압 회로구성 (0) | 2020.03.21 |