반응형
[요구사항]
1~3번 생략.
4. 작업압력(서비스 유닛)을 (0.5+0.05)MPa로 설정하시오.
5. 실린더 B 전진 시 일방향 유량조절밸브(모듈형)를 사용하여 Meter-out 회로가 되도록 하고,
실린더 A 후진 시 급속배기밸브를 사용하여 실린더의 속도를 제어하시오.
6. 리밋 스위치를 이용하여 저장소에 블록이 없을 경우 새로운 작업 사이클이 진행되지 않도록 하고,
이 경우 전기 램프가 점등되어 그 상태를 표시할 수 있도록 회로를 구성한 후 동작시키시오.
(리밋 스위치는 전기 선택 스위치로 대용)
[위치도]

[제어조건]
이송장치를 이용하여, 블록을 저장소에서 이송하려 한다.
PBS1을 On-Off하면 실린더 A에 의해 저장소에서 블록이 추출되고
실린더 B에 의해 블록을 상자로 이송한다.
단, 실린더 B는 실린더 A가 후진위치에 도착한 후, 후진하여야 한다.
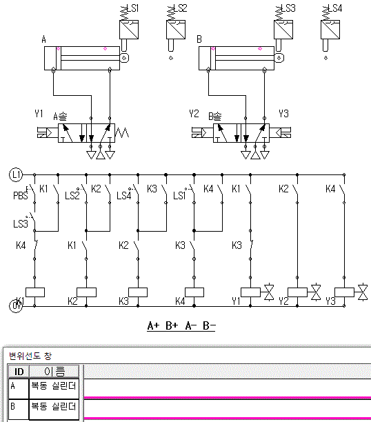
A+ B+ A- B-
[공압회로도]

[전기회로도]

가 - K3 a접점
나 - K3 b접점
다 - 르부리게이터 (5번)
라 - 용도 ( )
마 - 공기압축기
cf) 정답이 스톱밸브(차단밸브)인지 배수기인지 정확하지 않음
드레인밸브, 배수기, 자동배수밸브,
- 공기압축기 : 대기중의 공기를 흡입, 압축하여 압축공기를 만든다.
- 후부 냉각기 : 공기압축기에서 생산되는 170∼200℃의 압축공기를 냉각하여 공기속의 수분을 분리시킨다.
- 공기탱크 : 압축공기를 저장한다.
- 에이드라이어 : 후부냉각기에서 응축수는 제거되었으나 습도는 100%이므로 건조시킨다.
- 공기압 필터 : 압축공기속의 먼지와 일부 물방울을 제거하여 깨끗한 압축공기로 만든다.
- 루브리케이터 : 압축 공기 속에 윤활유를 분사하여 공압기기의 마찰운동 부분에 급유한다.
- 방향제어 밸브 : 압축공기의 흐르는 방향을 제어한다.
- 속도제어 밸브 : 압축공기의 유량을 조절하여 실린더 등의 속도를 제어한다.
- 실린더 : 압축공기의 에너지를 직선왕복운동으로 변환하여 기계적 일을 하는 기기
공압시스템의 구성
http://contents2.kocw.or.kr/KOCW/document/2015/koreatech/huhjunyeong/01_02.pdf
[시뮬레이션]
A+ B+ A- B-

기본 동작까지만 하고
나머지 응용동작은 이후에 올릴예정임.
[작업 파일]
'공유압 > 공압 기출문제 정리 (18회)' 카테고리의 다른 글
| 기출문제 3번 공압 회로구성 (0) | 2020.03.21 |
|---|---|
| 기출문제 4번 공압 회로구성 (2) | 2020.03.21 |
| 기출문제 6번 공압 회로구성 (0) | 2020.03.21 |
| 기출문제 7번 공압 회로구성 (0) | 2020.03.21 |
| 기출문제 8번 공압 회로구성 (0) | 2020.03.21 |