반응형


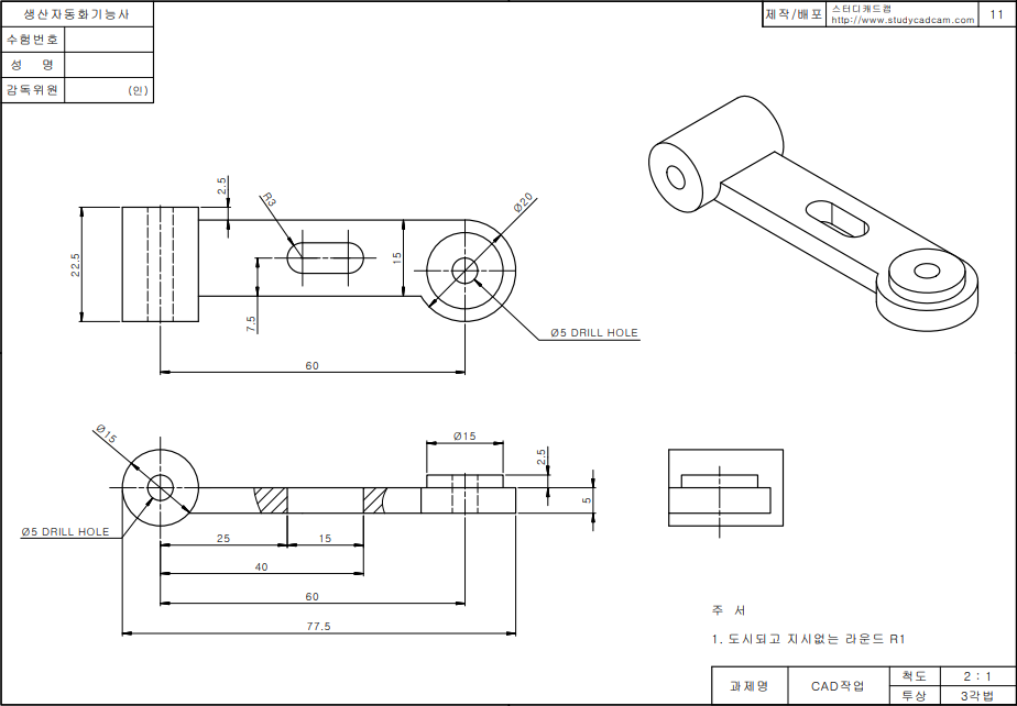
이런 도면을 작업 순서가 중요하다.
정면도 왼쪽 부분을 보면 한번에 작업을 할 수 없다.
왼쪽 원통 모양을 먼저 잡고 오른쪽 형상을 작업한다.
정면도에서 원 2개로 스케치 한 후 돌출하여 속이 빈 원기둥을 만든다.

그 다음 형상은 윗면을 선택하고 오른쪽 부분을 스케치한다.

스케치 종료 후 돌출을 아래방향으로 5만큼 한다.

오른쪽 원 모양에서 지름 15인 원으로 2.5만큼 위로 돌출시킨다.

그리고 가운데 지름5인 드릴 구멍을 파준다.

[완성 모델링]

[작업 파일]
'솔리드웍스 > 따라하기 (study cam)' 카테고리의 다른 글
| 생산자동화 기능사 - 과제17번 모델링하기 (cad study-솔리드웍스 ) (0) | 2020.03.19 |
|---|---|
| 생산자동화 기능사 - 과제15번 모델링하기 (cad study-솔리드웍스 ) (0) | 2020.03.19 |
| 생산자동화 기능사 - 과제16번 모델링하기 (cad study-솔리드웍스 ) (0) | 2020.03.19 |
| 생산자동화 기능사 - 과제8번 모델링 뷰꺼내기 (cad study-솔리드웍스 ) (0) | 2020.03.19 |
| 생산자동화 기능사 - 과제8번 모델링하기 (cad study-솔리드웍스 ) (2) | 2020.03.18 |