반응형


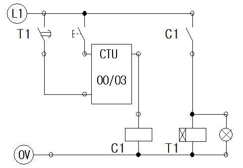
회로 구성 :
업카운터 1개 : 신호를 3번 받으면 카운터의 접점이 붙는다.
릴레이(C1) : 업카운터의 접점이 붙으면 이 릴레이가 여자된다.
On-Delay 타이머(T1) : 신호가 들어오면 바로 동작(여자)하고 설정한 시간만큼 동작을 유지(delay)하고 동작이 중지(소자)된다. 카운터의 '지연시간'은 1~99까지 설정할 수 있다. 예를 들어 3초의 시간을 주려면 60을 입력하면 된다.
따라서 99를 입력하면 약 5초동안 동작한다.
동작 설명 :
위와 같이 전기회로를 구성한다.
1. 카운터는 외부로부터 신호를 받으면 카운터가 올라간다. 설정한 값(3)이 되면 접점이 붙는다.
2. 카운터의 접점이 붙으면 연결되어 있는 릴레이 C1이 여자된다.
3. 릴레이 C1이 여자되면 접점 C1이 붙어 On-Delay 타이머가 여자된다.
4-1. On-Delay 타이머는 설정한 시간(5초)동안 여자를 유지하고
4-2. 동시에 전등이 점등되는데 타이머 설정시간(5초)만큼 들어온다.
5. 설정한 시간이 지나면 타이머는 소자된다.
6. 타이머가 소자되면 타이머 접점 T1이 떨어져 카운터를 통해서 흐르는 신호를 끊어 모든 회로가 끊어진다. (전등도 소등된다)
부연설명 :
카운터는 여기서는 수동으로 눌러주었는데
실제로는 실린더의 움직임으로 접점이 붙는 리밋스위치의 접점 신호나
포토센서(반도체 소자를 이용해서 물체의 유무를 판단) 등과 같은 센서의 신호(출력신호)를 받게 된다.
PH-Lab 작업파일


'공유압 > 공유압 수업(실습) 정리하기' 카테고리의 다른 글
| 유압과제 7번 유압 회로구성 (수업 200514) (0) | 2020.05.14 |
|---|---|
| 공압과제 7번 공압 회로구성 (수업 200514) (0) | 2020.05.14 |