과제 : 소재 공급 매거진 자동이송 장치
1. 요구사항
가.나.다 생략
라. 실린더 B의 전진속도를 METER-IN 방식으로 조절할 수 있도록 공압 회로도를 변경하시오.
마. 전기타이머(ON DELAY)를 사용하여 실린더 B가 전진완료 후 2초간 정지한 후에 다음 동작이 이루어지도록 전기 회로도를 변경하시오.
바. 제어조건에 따른 변위단계선도를 작성하시오.
2. 공압도면
- 제어조건 : 작업 시작스위치를 누르면 소재공급 매거진에서 실린더 A의 전진동작으로 소재를 공급한 후, 실린더 B의 전, 후진 동작으로 소재를 용기에 넣은 다음 실린더 A가 복귀하도록 한다.
가. 위치도 나. 공압 회로도



위의 공압 회로도에 맞게 공압 장치를 구성하였다.
아래의 구성은 장치의 접점에 전기가 연결되지 않은 순수 공압회로이다.

순수 공압회로를 시뮬레이션으로 테스트를 해보았다.
작동은 A+ B+ B- A-로 잘 동작하고 있다.

순수 공압 회로 테스트를 직접 해보았다.
https://www.youtube.com/watch?v=U_J10i09EFk
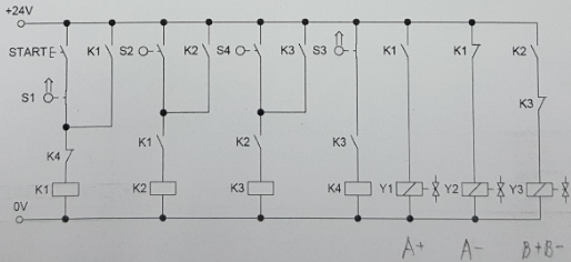
다. 전기 회로도
순수 공압에 대한 전기회로도는 아래와 같다.

위의 회로도에 맞게 전기회로를 구성하였고 응용동작을 아래오 같이 테스트하였다.
1. 타이머 적용 전
실린더 B의 전진속도를 미터인으로 제어한다.
https://www.youtube.com/watch?v=NgbvETxi0vI
2. 타이머 2초 적용
실린더 B의 전진속도를 미터인으로 제어한다.
https://www.youtube.com/watch?v=3_eRepiFlto
'공유압 > 공유압 수업(실습) 정리하기' 카테고리의 다른 글
| 카운터 - 타이머 전기회로 (0) | 2020.06.30 |
|---|---|
| 유압과제 7번 유압 회로구성 (수업 200514) (0) | 2020.05.14 |