
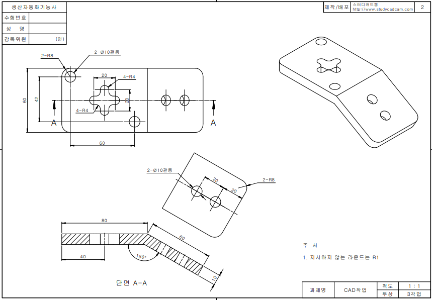
도면 파일

초기 데이텀(기준면)을 정면으로 하고
아래와 같이 스케치한다.
수치 구속서 검은색으로 되면 완전구속이 되어 스케치 된 것이 변형이 안된다.

스케치 종료 후 돌출보스 작업을 한다.
이번에는 방향을 '중간평면' , 깊이는 60으로 한다.

모서리 두 곳에 필렛을 R8로 한다.

왼쪽 윗면을 클릭해서 '스케치'를 눌러 작업을 한다.

모서리에 필렛 작업으로 원 형상이 되어 있기 때문에
원호에 마우스를 대고 있으면 중심점이 표시된다.

지름 10인 원을 스케치한다.

원을 스케치하면 구속조건이 되어 원이 검은색으로 표시된다.
오른쪽 아래에 지름 10인 원을 스케치 한다.

두 원에 치수 구속을 시켜준다.
왼쪽 위쪽의 원은 치수구속(검은색)이 되어 있기때문에 움직이지 않는다.
오른쪽 원만 위치이동이 될 것이다.

다시 중심점에서 위쪽으로 지름 8인 원을 그리고 중심에서 10만큼 떨어뜨린다.

이번에는 중앙에 있는 10자형 구멍 형상을 그려본다.
직선홈으로 수평 수직으로 그리고 필렛을 주면 될 듯하다.
직선홈을 선태하고 중심점 직선홈을 선택해서 작업한다.

중심점을 클릭하고 거리 10만큼 떨어뜨린다.

직선홈 선택 - 중심점 클릭하고 - 수평 오른쪽으로 펼려서 클릭하면
아래와 같이 나타나고 마우스를 움직이면 직선홈의 폭이 생긴다

마우스로 지름 8만큼 간격을 벌려준다.

수평 부분이 끝나면 수직 형상을 스케치한다.

중심점 클릭 - 아래로 마우스를 움직이고 클릭 - 마우스로 간격을 8정도 준다.

전체적인 형상이 만들어지면 내부의 선들은 잘라내기한다.
내부의 선들이 없어야 모서리 부분의 필렛 작업을 할 수 있다.
스케치 필렛작업(피처-필렛은 아님)은 선이 2개가 만나는 곳이어야 되는 것 같다.

스케치 필렛을 선택하고 반지름 4만큼 적용을 한다.


필렛을 적용할 곳의 모서리점을 클릭하면 잘 적용이 된다.
만약 오류메시지가 뜨면 필렛 수치가 너무 큰 경우이다.
4보다 큰 5 이상을 적용하면 오류가 뜰 것이다.

모서리 4곳을 적용시킨다.

스케치 작업 종료 후 돌출 컷 작업을 해준다.

다시 오른쪽 면을 클릭하고 스케치를 눌러준다.

중심선을 긋고 지름 10인 원 2개를 스케치하고
치수 구속을 시켜준다.

스케치 종료 후 돌출컷으로 관통을 시켜준다.

돌출컷 종료 후 필렛을 8만큼 적용하고 모델링을 완성한다.

완성된 모델링

솔리드웍스 작업파일
'솔리드웍스 > 실습(생자기능사CAD_45문제)' 카테고리의 다른 글
| 생산자동화기능사 CAD작업(01번) 모델링 (0) | 2020.06.02 |
|---|---|
| 생산자동화기능사 CAD작업(03번) 모델링 (0) | 2020.06.02 |
| 생산자동화기능사 CAD작업(04번) 모델링 (0) | 2020.06.02 |
| 생산자동화기능사 CAD작업(05번) 모델링 (0) | 2020.06.02 |
| 생산자동화기능사 CAD작업(06번) 모델링 (0) | 2020.06.02 |