반응형

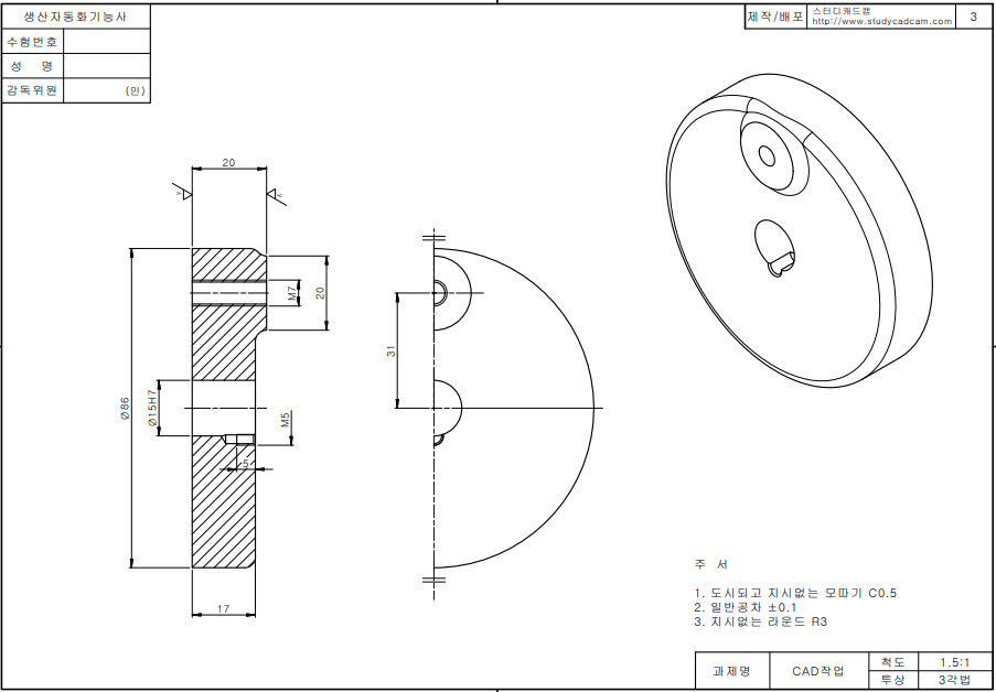
정면을 초기 데이텀 (기준면)으로 잡고 스케치한다.
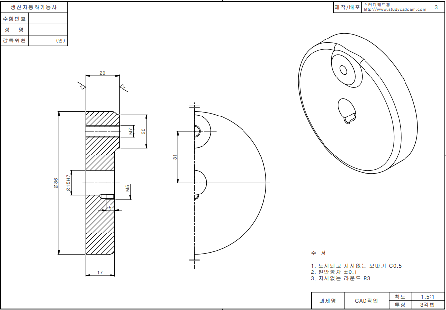
지름 86, 지름 15인 원을 스케치한다.

돌출보스로 방향은 스케치 반대방향으로 깊이 17만큼 준다.
스케치가 있는 쪽은 다른 스케치를 하고 돌출보스나 돌출컷 작업시 시각적으로 좋은 이점이 있다.
아래 작업에서는 돌출 방향을 임의대로 해도 된다.

정면을 클릭하고 스케치로 들어간다.
아래와 같이 원을 그리고 중심점에서 31만큼 떨어진 원을 그린다.

스케치 종료 후 원을 3만큼 돌출보스 작업을 한다.
돌출이 끝나면 필렛을 3만큼 준다.

그리고 큰 원도 필렛을 3을 준다.

필렛을 준곳이 도면과 조금은 다르다.


다른 방법으로 필렛을 주어본다.
작은 원과 큰 원을 동시에 잡고 필렛 3을 주면 아래와 같다.

비슷하게 보이나 조금 차이가 있다.
필렛 형상은 원래의 것으로 하고 진행한다.
그리고 구멍작업을 할 곳에 점을 찍어둔다.














완성된 모델링

솔리드웍스 작업파일
'솔리드웍스 > 실습(생자기능사CAD_45문제)' 카테고리의 다른 글
| 생산자동화기능사 CAD작업(01번) 모델링 (0) | 2020.06.02 |
|---|---|
| 생산자동화기능사 CAD작업(02번) 모델링 (0) | 2020.06.02 |
| 생산자동화기능사 CAD작업(04번) 모델링 (0) | 2020.06.02 |
| 생산자동화기능사 CAD작업(05번) 모델링 (0) | 2020.06.02 |
| 생산자동화기능사 CAD작업(06번) 모델링 (0) | 2020.06.02 |
