명일 ncs 중간 평가
기존프로그램을 수정할 수 있으면 된다.
G50 최고속도
G96 잘삭속도
...
절임양
여유값
정상피드값
COMCO, NCWare에서 확인

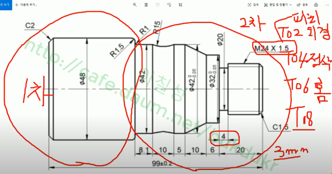
소재크기를 치수보다 큰 크기로(3mm) 준비한다.
1차로 왼쪽 부분(직경이 큰 부분)을 작업한다.
2차로 왼쪽 부분(직경이 작은 부분)을 작업한다.


1차로 된 부분(직경이 큰 부분)을 먼저 가공을 직경이 작은 부분을 뒤에 가공한다.

usb에 받아서 기계에 저장하거나
직접 입력해서 작업을 하면된다.
cnc선반 수기프로그램 작성후 ncware로 검증하기
https://www.youtube.com/watch?v=D2ig7d8Tmyk
G28U0W0
현재의 점을 경유해서 기계원점복귀를 한다.
T0200
02:공구번호 00: 보정번호
ex)보정값 적용해서 이동하겠다.
G50S1800 : 최고 RPM제한
좌표계설정은 이전에 해 놓아야 한다.
G96S120M03 : 절삭속도 일정제어
V = 파이DN/1000
S120 : 황삭 절삭 속도
M03 :
G00X150.Z150.T0202
기계원점과 공작물원점 가기 전에 중간에 거쳐서 가겠다.
그때 공구 보정도 함께 한다.
G00.X54.Z2. (G71 CYCLE START)
X-2 CENTER보다 2만큼 내려간다
X54 :
G71: 외경황삭 사인클



선반에서 수기로 짜는 이유
사이클타임때문
영역을 지정해서 (N10~N20)
이와 같은 조건으로 (P10Q20U ~~)
작업을 하겠다.
~Q20U0.4W0.2F0.2

F0.2 : 회전당 0.2mm


X-2 : 로즈R값때문에 주는 것이다. R1.6이 정확한 값인데...
가공여유를 0.2정도 남겨놓고 제거했다.
정삭울 헐때는 U0.4.0.2가 필요없다. F0.2가 필요 없다.
G70P10Q20
정삭의 이송속도는 프로그램 안에다 지정한다.
F0.15 : 프로그램 안에 있는 이 값이다.
지금까지 작업.

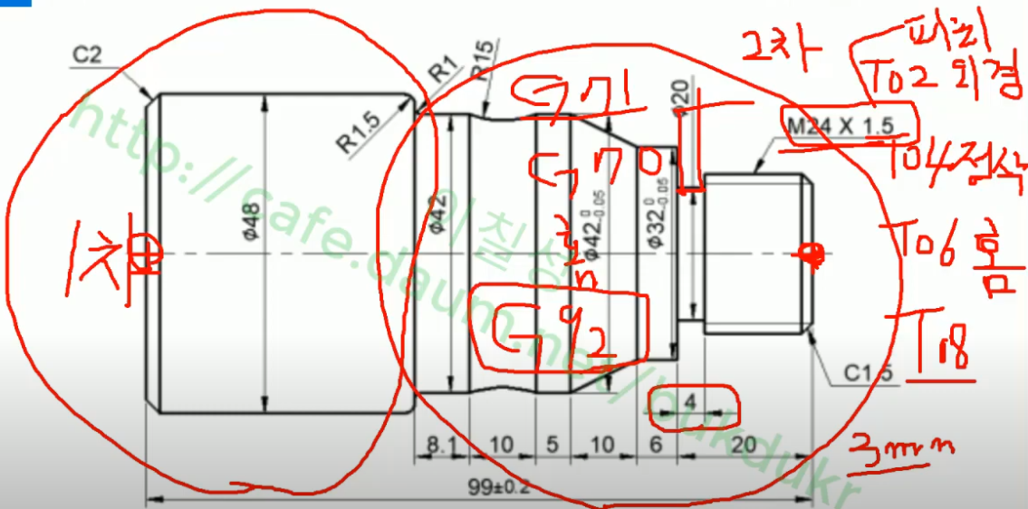
2차 작업 한다

직선 G01
곡선 G03
G97 : 홈,나사작업은 X값 변화가 적기 때문에 G97로 작업을 한다.
G04 : 잠깐 멈춤?
P00 : 0.5초 멈춤
나사작업
X34.Z2.T0808
'자동제어 > CNC' 카테고리의 다른 글
| CNC 밀링(머시닝센터) 가공 프로그래밍 8일차 (200608) - (0) | 2020.06.08 |
|---|---|
| CNC 선반 프로그래밍 7일차 (200602) - (0) | 2020.06.02 |
| CNC 선반 프로그래밍 5일차 (200525) - ncware를 사용한 cnc선반 세팅작업 (0) | 2020.05.25 |
| CNC 선반 프로그래밍 5일차 (200525) - 옵셋보정 후 공구교체 (0) | 2020.05.25 |
| CNC 선반 프로그래밍 4일차 - cnc선반 내경 캠작업하기 (0) | 2020.05.19 |