반응형
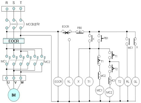
승강기 운전 제어회로 구성




동작 설명 :
--- 작업중 ---
동작 영상 :
https://www.youtube.com/watch?v=gUQIN1o3MCk
Content provider is K.Y.W
'전기 & 전자 > 승강기 실기' 카테고리의 다른 글
| 승강기 운전 제어회로 구성 (200519) (0) | 2020.05.19 |
|---|---|
| 승강기 운전 제어회로 구성 (200518) (0) | 2020.05.18 |
| 승강기 운전 제어회로 구성 (200517) (0) | 2020.05.17 |
| 승강기 시험 대비 강사님 말씀 (0) | 2020.05.14 |
| 승강기 운전 제어회로 구성 (200512) (0) | 2020.05.12 |