반응형


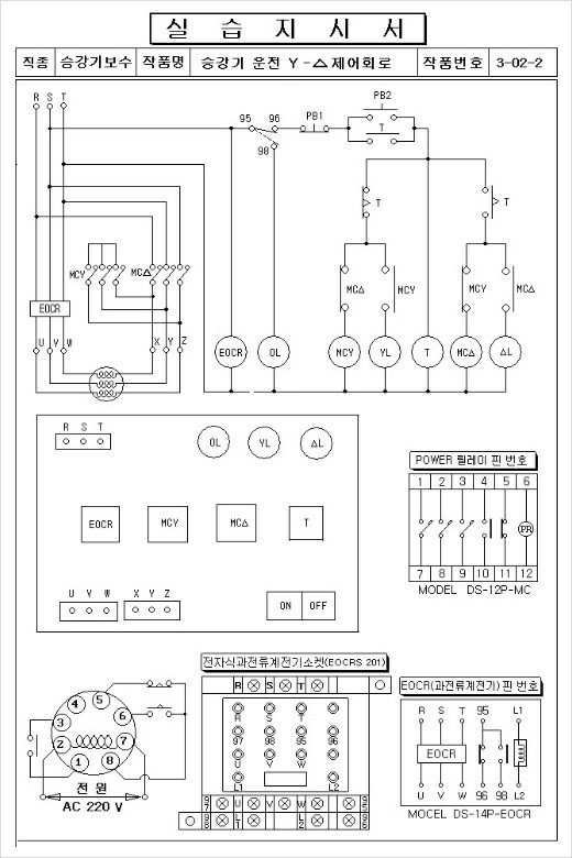
동작 설명:
전원이 공급되면 EOCR이 여자되어서 과전류가 흐르는지 판독하고 있다.
PB2를 누르면
MC-Y 가 여자되어
황색램프가 점등되고
타이머가 여자되어 T초 후에
MC-Y가 소자되고
황색램프가 소등되고
MC-D가 여자되고
DL(적색램프)이 점등된다.
PB1을 누르면 모든 장치가 초기화된다.
과전류가 흐를때 EOCR의 b접점이 단락되고
a접점이 붙어서 OL(흰색램프)이 점등된다.
https://www.youtube.com/watch?v=HkdOEYHVYJo
Content provider is K.Y.W
'전기 & 전자 > 승강기 실기' 카테고리의 다른 글
| 승강기 운전 제어회로 구성 (200517) (0) | 2020.05.17 |
|---|---|
| 승강기 시험 대비 강사님 말씀 (0) | 2020.05.14 |
| 승강기 운전 제어회로 구성 (200511) (0) | 2020.05.12 |
| 승강기 운전 제어회로 구성 (Y-델타 운전 제어회로) (0) | 2020.05.08 |
| 승강기 운전 제어회로 구성 - 도면 2번 (2020.05.06) (0) | 2020.05.06 |