반응형



https://www.youtube.com/watch?v=ln44oNj9pZY
ESS 프로그램으로 시뮬레이션을 해 보았다.
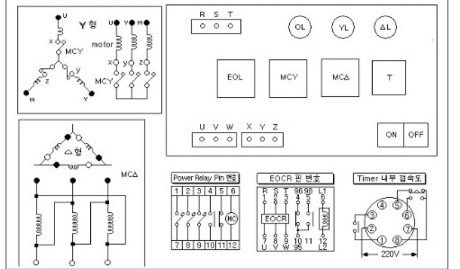
그런데 '와이-델타'회로에서 전원이 공급되면
타이머가 작동되는 버그가 있는 듯하다.
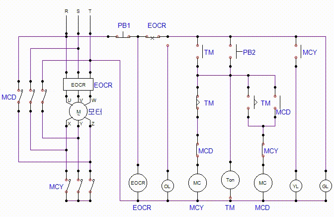
그래서 아래와 같이 타이머를 구성하고 테스트한다.

숭강기제어_Y-델타회로(200510).CPG
0.03MB
Content provider is K.Y.W
참고 : https://m.blog.naver.com/soinnet/221813812586
승강기기능사 실기연습문제 3-6 Y델타제어회로
양이아빠^^인생학습장
blog.naver.com
'전기 & 전자 > 승강기 실기' 카테고리의 다른 글
| 승강기 시험 대비 강사님 말씀 (0) | 2020.05.14 |
|---|---|
| 승강기 운전 제어회로 구성 (200512) (0) | 2020.05.12 |
| 승강기 운전 제어회로 구성 (200511) (0) | 2020.05.12 |
| 승강기 운전 제어회로 구성 - 도면 2번 (2020.05.06) (0) | 2020.05.06 |
| 승강기 운전 제어회로 구성 - 도면 1번 (2020.05.06) (0) | 2020.05.06 |