반응형
승강기 운전 제어 회로 구성


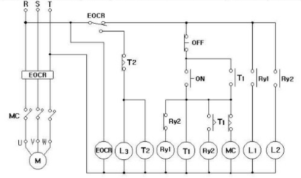
동작 설명:
전원이 공급되면 EOCR이 여자되어서 과전류가 흐르는지 감시하고 있다.
ON(녹색) 스위치를 누르면
릴레이(Ry1), MC, ON-Delay 타이머(T1)가 여자된다.
- 릴레이 Ry1가 여자되어 L2램프(녹색)가 점등된다.
- MC가 여자되어 모터가 회전한다.
- 타이머가 여자되어 T초 후에
MC가 소자되어 모터는 멈추고
Ry2가 여자되어(Ry1는 소자)
L1램프(적색)가 점등된다.(L2램프는 소등)
동작중에 OFF(적색) 스위치를 누르면
모든 장치가 초기화되어
모터가 정지되고 램프도 모두 소등된다.
과전류가 흐를때 EOCR의 b접점이 단락되고
a접점이 붙어서 L3램프(흰색)가 점등되고
타이머릴레이(T2)가 여자되어 T초 후에 L3램프는 소등된다.

https://www.youtube.com/watch?v=URqaVJ9YJkM
Content provider is K.Y.W
'전기 & 전자 > 승강기 실기' 카테고리의 다른 글
| 승강기 운전 제어회로 구성 (200519) (0) | 2020.05.19 |
|---|---|
| 승강기 운전 제어회로 구성 (200518) (0) | 2020.05.18 |
| 승강기 시험 대비 강사님 말씀 (0) | 2020.05.14 |
| 승강기 운전 제어회로 구성 (200512) (0) | 2020.05.12 |
| 승강기 운전 제어회로 구성 (200511) (0) | 2020.05.12 |