- 대칭복사,동적대칭복사
- 원형패턴,선형패턴
- 복사와 오프셋
- 복사,이동,회전,다양한 사각형 그리기
- 다각형,호,타원 그리기
- 직선홈,스플라인,문자기입
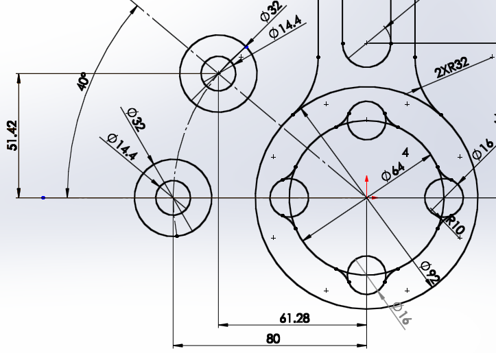
[ 원본도면 ]

먼저 중앙의 원을 먼저 작도한다.

작은원(∅16)과 큰 원(∅64)의 원을 연결에서
원으로 tan 조건을 걸어서 라운딩을 준다. (캐드에서도 필렛이라 한다.)
그런데 선이 명확히 구분되지 않기 때문에 필렛을 쓰지 않고 다른 방법을 쓴다.
원을 그려서 해결한다.


완성이 되면 4분점으로 같은 모양으로 배치한다.
원형 스케치 패턴을 이용한다.

작업 중간에 파란색 부분은 '스케치 완전 정의'를 해주어 검은색으로 변경해준다.
다음은 중양 윗부분을 작업한다.

아래로 내려오는 직선과 원 연결은 요소늘리기(연장하기)로 한다.
필렛처리는 원을 2개 만들어 tan 조건으로 붙여서 작업한다.
왼쪽에 모양을 그리기 위해 치수를 오른쪽으로 정리하였다.

왼쪽 y=0인 지점에 원모양 2개를 그리고
위쪽으로 같은 원모양 2개를 그려 원주에 배치하기 위해
중심선을 만드는 원을 그린다.

큰 원의 중심에서 왼쪽으로, 중심에서 40도 각도의 보조선을 두 개 그린다.
왼쪽 두 원의 중심을 오른쪽의 원주에 위치 시킨다.
두 원을 요소복사로 해서 40도 떨어진 곳으로 복사한다.
작업 후 스케치 완전 정의를 해준다.

두 원 끼리 만나는 보조선을 '요소 오프셋'으로 연결한다.

요소잘라내기로 필요없는 부분을 모두 잘라낸다.
구속조건 충돌나는 부분이 있으면
치수 삭제를 해서 구속조건이 완전 정의된 검은색으로 만들어준다.

마지막으로 원을 두개 그려 왼쪽과 중간을 연결시켜준다.

'솔리드웍스 > 따라하기 AutoCad(매운탕)' 카테고리의 다른 글
| [매운탕 솔리드웍스] 11강 스케치 따라하기7 (직선홈, 스플라인, 문자기입) (0) | 2020.03.09 |
|---|---|
| [매운탕 솔리드웍스] 10강 스케치 따라하기6 (다각형, 호, 타원그리기) (0) | 2020.03.09 |
| [매운탕 솔리드웍스] 9강 스케치 따라하기5(복사,이동,회전,다양한 사각형 그리기) (0) | 2020.03.09 |
| [매운탕 솔리드웍스] 6강 - 스케치 예제 따라하기 2 (대칭복사,동적대칭복사) (0) | 2020.03.05 |
| [매운탕 솔리드웍스] 5강 - 스케치 예제 따라하기 (0) | 2020.03.01 |