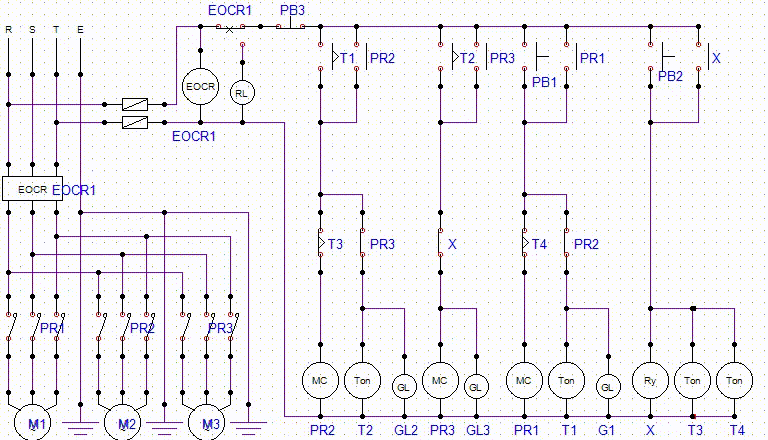
전원공급 후
PB1 누름 -> PR1여자 -> 유도전동기(M1) 동작
T1 여자 -> 한시동작(3초) -> T1 접점 붙음
GL1 점등
T1 접점 붙음 -> PR2여자 -> 유도전동기(M2) 동작
PR2여자 -> PR2 b접점 동작 -> T1소자, GL1소등
T2 여자 -> 한시동작(3초) -> T2 접점 붙음
GL2 점등
T2 접점 붙음 -> PR3여자 -> 유도전동기(M3) 동작
PR3여자 -> PR3 b접점 동작 -> T2소자, GL2소등
GL3 점등
PB2 누름 -> 릴레이X 여자 -> X b접점 동작(떨어짐) -> PR3 소자 -> M3 전동기 멈춤
T3 여자 -> 한시동작(1초) -> T3 b접점 동작(떨어짐) -> M2 전동기 멈춤
T4 여자 -> 한시동작(3초) -> T4 b접점 동작(떨어짐) -> M1 전동기 멈춤
PB3를 누르면 전동기가 모두 동시에 정지한다.

작업 프로그램은 주식회사 ED에서 만든
전기시퀸스제어 시뮬레이션 ESS Version 1.42
3개월 무료버전으로 사용할 수 있다

'전기 & 전자 > 전기시퀀스제어' 카테고리의 다른 글
| 전기 기능사 실기 - 승강기 제어 (1) | 2020.03.28 |
|---|---|
| 전기 기능사 실기 - 온도조절기 (수업 0128) (0) | 2020.03.28 |
| 전기 기능사 실기 - 컨베이어 제어회로-1(순차) (0) | 2020.03.27 |
| 전기 기능사 실기 - 온실제어회로 (2019년도 3회 기출) (0) | 2020.03.27 |
| 전기 기능사 실기 - 자동 온도 조절제어 (수업 0205) (0) | 2020.03.26 |