반응형
'전기 & 전자 > 전기시퀀스제어' 카테고리의 다른 글
| 전기 기능사 실기 - 승강기 제어 (1) | 2020.03.28 |
|---|---|
| 전기 기능사 실기 - 온도조절기 (수업 0128) (0) | 2020.03.28 |
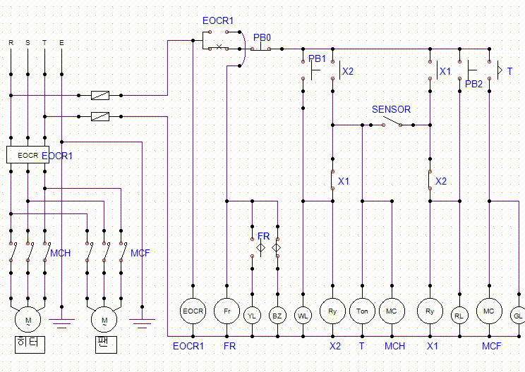
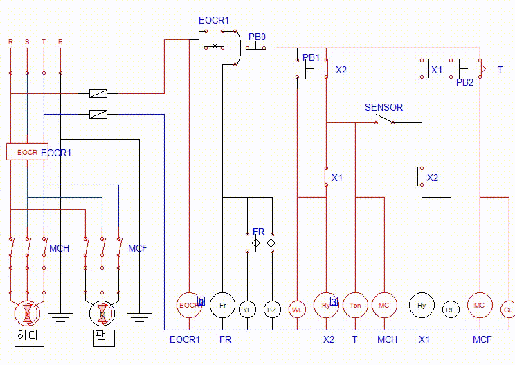
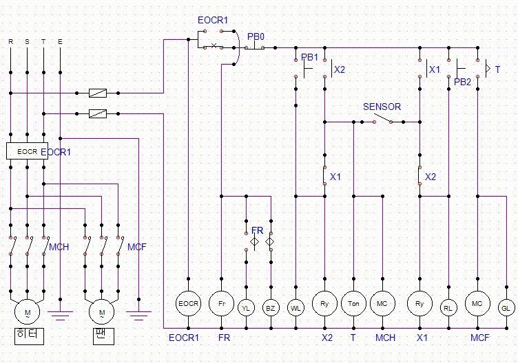
| 전기 기능사 실기 - 컨베이어 제어회로2 (순차) (0) | 2020.03.28 |
| 전기 기능사 실기 - 컨베이어 제어회로-1(순차) (0) | 2020.03.27 |
| 전기 기능사 실기 - 자동 온도 조절제어 (수업 0205) (0) | 2020.03.26 |


