
1. 솔리드 작업
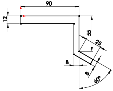
정면에서 아래와 같이 스케치를 한다.

스케치 종료 후 돌출보스를 적용한다.
중간평면, 길이 40mm

모서리에 필렛 20을 준다.

윗면에 지름 20인 원을 그리고 돌출컷을 해준다.

위면 모서리에 필렛 6을 준다.


오른쪽 면에서 지름 15인 원을 스케치 한다.

정면 뷰로 와서 원 중심에서 20도 각도의 선을 그린다.


이 상태에서 '컷 스윕' 기능을 이용해서
해당 경로(직선)에 프로파일(원) 모양으로 컷을 해준다.


오른쪽 면을 잡고 원을 스케치해서 관통을 시켜준다.

오른쪽 면 위에 원을 그리고 관통시켜준다.
모서리 부분은 필렛 12를 준다.


마지막으로 필렛 3을 준다.

[완성 모델링]

[작업 파일]
2. 도면 작업
A3 크기의 시트용지에 표제란과 중심마크를 그리고
모델링한 파트를 뷰로 불러온다.

정면도를 삭제하고 단면도로 교체한다.
평면도에서 우클릭하고 '접선-접선 숨기기'를 한다.


단면도를 클릭하고 절단선의 방향을 '가로방향'을 선택한다.


단면도에서 오른쪽 아래부분을 '보조투상도'로 빼내어 본다.
'보조투상도'를 클릭하고 아래 모서리를 클릭해서
모서리에 수직인 투상도를 얻을 수 있다.

다음은 아래면에서의 '부분도'를 얻기 위해
색칠한 부분의 면에 수직인 '보조투상도'를 얻어온다.

스플라인으로 부분도가 될 영역을 스케치 한다음 '부분도'를 클릭한다.

오른쪽 아래의 '보조투상도'의 '표시유형-은선'을 눌러 '은선'이 나오게 한다.

필요없는 은선들을 모두 숨기기 해준다.
선에서 우클릭 후 숨기기 아이콘(빨강색)을 눌러 숨긴다.

은선으로 표시된 부분은 위쪽 앞부분 필렛과 홀부분이다.

빨간색 부분은 꺽여서 생긴 선 부분이다.

은선과 꺽여서 생긴 선 모두 숨기고 아래의 두 군데를 점선으로 다시 그려준다.

다음 단계는 작업 중~
[도면 파일]
'솔리드웍스 > 따라하기 (tech king 카카오tv)' 카테고리의 다른 글
| 생자 실기 solidworks 15번 모델링 + 도면 작업 (0) | 2020.03.23 |
|---|---|
| 생자 실기 solidworks 14번 모델링 + 도면 작업 (0) | 2020.03.23 |
| 생자 실기 solidworks 12번 모델링 작업 (0) | 2020.03.23 |
| 생자 실기 solidworks 11번 모델링작업 (0) | 2020.03.23 |
| 생자 실기 solidworks 10번 모델링 + 도면 작업 (0) | 2020.03.23 |