

1. 솔리드 작업
정면에서 스케치를 한다.
파란색 부분, 회전시 지름이 될 치수를 36으로 한다.

스케치 종료 후 회전 보스를 해준다.

우측면으로 이동해서 원을 스케치 해서 돌출컷을 한다.

다시 지름 11인 원을 그리고 치수를 아래로 내려서 그린다.
그려진 원과 함께 돌출 컷 할 곳을 스케치로 그려준다.

돌출컷을 10mm만큼 해준다.


원형패턴으로 패턴복사를 해준다.
방향은 안쪽 원의 면으로 하고
'피처 및 면'은 작은 '구멍' 형태와 '하우스' 형태의 돌출컷을 선택해준다.
각도는 360도, 인스턴스 갯수는 5개

필렛을 5mm로 해준다.

[완성 모델링]

[작업 파일]
2. 도면 작업
시트용지 크기를 A3 (420X297)로 하고 윤곽선을 그린다.
윤곽선의 위치는 왼쪽 밑의 점(10, 10), 오른쪽 위의 점(410, 287)로 한다.
중심마크는 윤곽선 안밖으로 5mm씩(시험 마다 다름) 선을 그어준다.
중심마크를 빠르게 작업하는 방법은 아래와 같다.
먼저 중심점에서 길게 그려 넣는다. 그릴때는 클릭하고 마우스를 떼지 않고 다 그린 후 마우스를 뗀다.

중심마크를 하나만 5mm로 한다.
중심마크 선들을 클릭해 주고 동등 조건을 부여한다.
이렇게 하면 일일이 치수를 부여하지 않아도 된다.


치수는 숨기기 해준다.
전체를 선택하고 고정을 해주고, 선 굵기는 0.7(자격시험마다 다름)로 해준다.
작업시 디자인트리에 신호등표시가 나타나면
상단의 신호등을 눌러 '변경된 피처를 재생성'을 해주어야 한다.
전체화면으로 꽉 차게 볼 필요가 있을 때는 아래의 제일 왼쪽 아이콘을 클릭해준다.

'지능형 치수' 단축 키 설정
옵션-사용자정의-키보드-도구

표제란 그릴때 사각형은 왼쪽에서 오른쪽으로 그리고
오른쪽 밑에서 시작해서 사각형을 왼쪽으로 그린다.
이렇게 하면 구속조건이 갖추어져서 선의 색이 검은색으로 된다.
이런 상태에서 간격이 10인 선을 그으면 치수기입을 따로 하지 않아도 된다.




시트 형식을 닫고 '뷰레이아웃-모델뷰'를 클릭해서
모델링한 파일을 불러오고 뷰를 아래와 같이 배치한다.
현재 정면도는 삭제하였다.

등각투상도를 회전시키기 위해 아래 버튼을 누르고 115도 각도로 위치시킨다.

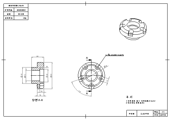
우측면도에서 단면도를 꺼낸다.

방향을 반대로 한다.

왼쪽 '단면 A-A'를 더블클릭해서 크기를 '5'로 조정한다.
오른쪽 'A'를 클릭 - 디자인트리에서 글꼴을 눌러 조절한다.
글자크기를 5로 하고 메시지가 뜨면 확인을 누르고 나온다.
다시 'A'를 클릭하면 적용이된다.


단면도에서 중심선을 두 곳에 그려주고 치수를 입력한다.
치수입력시 옵션 설정을 한다.
'옵션 - 문서속성 - 치수'
오프셋 거리 (6 -> 10),
치수보조선 중앙 체크
소수점 표시 - 치수 - 삭제로 선택 (소수점 표시 안나옴)

오른쪽 원의 지름을 31.28 -> 36으로 변경 (스케치할 때 치수 적용이 안된듯)
이럴 경우 원 모델링을 변경시킬 수 있다.
뷰의 외곽선에서 우클릭하고 '파트열기' 를 클릭해서 모델링에서 수정하면 된다.

왼쪽 트리 메뉴의 '치수 텍스트'를
'<MOD-DIAM><DIM>'에서 '<MOD-DIAM>36'으로 변경
단면도의 치수를 아래와 같이 완성한다.

다음은 우측면도의 치수 작업이다.

주서를 아래와 같이 입력한다.
그리고 뷰의 실선으로 표현된 선들을 0.5mm로 수정한다.
옵션 - 문서속성 - 선 형식 - 유형(실선), 두께(0.5)를 선택한다.

[완성 도면]

[도면 파일]
'솔리드웍스 > 따라하기 (tech king 카카오tv)' 카테고리의 다른 글
| 생자 실기 solidworks 11번 모델링작업 (0) | 2020.03.23 |
|---|---|
| 생자 실기 solidworks 10번 모델링 + 도면 작업 (0) | 2020.03.23 |
| 생자 실기 solidworks 05번 모델링 + 도면 작업 (0) | 2020.03.23 |
| 생자 실기 solidworks 04번 모델링 (0) | 2020.03.23 |
| 생자 실기 solidworks 03번 모델링 + 도면 작업 (0) | 2020.03.23 |