반응형

우측면에서 회전이 될 윗면을 아래와 같이 스케치를 한다.

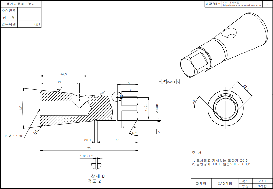
상세 B의 스케치 작업을 한다.
파란색 선 부분이 있지만 이전까지의 작업에서 구속조건을 만족했기 때문에
구속조건을 더 부여하진 않겠다.

다음은 회전을 시킨다.
스케치를 거꾸로 그려서 요소 대칭복사로 반전이동시키고 회전한다.

오른쪽 큰 바닥원을 필렛(3mm)을 준다.
앞부분의 4각형 모양으로 깍는 작업을 한다.
가장 쉬운방법은 십자로 중심선을 그리고
다각형으로 사각형을 만들어 내접원의 사이즈를 15로 준다.

그리고 요소변환으로 외곽원을 클릭하면 원에 대한 선이 생성된다.

이 상태에서 돌출컷으로 12만큼 잘라준다.

앞 부분 모따기를 해준다. (C1, 30도)

윗면으로 가서 중심선을 그리고 지름 11의 원을 그린다.


뒷면으로 가서 중심에 원을 스케치 한다.
'구멍가공마법사'에서 구멍유형은 '구멍'으로 하고 아래와 같이 설정한다.

위치에서 3D Scetch를 선택하고 원을 클릭해서 구멍을 뚫어준다.

단면을 확인해 보면 원본 도면과 같다.

[완성 모델링]

[작업파일]
'솔리드웍스 > 따라하기 (study cam)' 카테고리의 다른 글
| 생산자동화 기능사 - 아이스트레이 만들기 (cad study-솔리드웍스 ) (0) | 2020.03.18 |
|---|---|
| 생산자동화 기능사 - 스윕컷 응용 나사만들기 (cad study-솔리드웍스 ) (0) | 2020.03.17 |
| 생산자동화 기능사 - 경사가 있는 모델링 (cad study-솔리드웍스 ) (0) | 2020.03.17 |
| 생산자동화 기능사 - 도면 양식 만들기 (cad study-솔리드웍스 ) (0) | 2020.03.17 |
| 생산자동화 기능사 - 기어가 포함된 축모델링하기 (cad study-솔리드웍스 ) (0) | 2020.03.17 |