EOCR에 대해서 알아봅시다._전기실무
https://www.youtube.com/watch?v=lROCWHXoP28
Q> 전격부하가 2200W이고 단상부하면 10A짜리 전동기죠... 그럼 EOCR은 얼마로 설정해야하나요?? 아 1.25배인가요?
A> 일반적으로 전동기의 정격에 1.25배 정도를 셋팅합니다. 전동기 정격전류를 모를때는 전동기가 운전중일 때 o-time을 0초로 하고 load를 최댓값에서 조금씩 줄이다가 트립되는 순간이 전동기의 정격 전류임을 알 수 있습니다.
Q> eocr eclh 차이점
A> CLH도 EOCR의 한 종류이며, 호이스트를 위한 계전기입니다. 호이스트는 특성상 무거운 물체를 드는 순간 정격이상의 과전류가 발생합니다. 일반 EOCR의 경우 직접 본체에있는 리셋버튼을 눌러야 원상태로 복구되는 반면 ECLH는 수동복귀와 자동복귀 기능을 가지고 있습니다.
Q> 모터가 와이델타 방식으로 구성되어 있을때 eocr 의 위치는 mc 윗단에 놓으면 될까요?
A> 네. 괜찮습니다
Q> 95 와 98은 도통되어있는데 배선하면 합선아닌가요.....? 궁금합니다
A> 접점이므로 회로의 개폐만을 담당하게 됩니다. 아래 영상은 합선에 대한 이해를 도와줄 것입니다.
Q> EOCR 과 NFB하고 기능은 같은것 인가요?
A> 둘은 다릅니다.
Q>
A>
[전기실무]과전류 계전기 설치(EOCR)
https://www.youtube.com/watch?v=cxo92fH2bG8

95-96(b접점)은 트립하는 곳에 결선하고
95-98은 램프나 부저에 결선한다.
5마력*0.75=3750w
3750/220/3=5.6A (*1.5=8.4A)
Q> 02:28 전류 구할때 3으로 나누는 이유가 3상이라서인가요?
A> 삼상220V면 루트3으로 나눠요. 근데 영상에서 나오는 전원은 3상380이예요
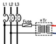
Q> R-N상과 R-S상의 차이점은?
A> R-S상은 380V이다 N상이 없는 것이다.
R-S상으로 할때는 반드시 트랜스를 써서 220V로 다운시켜서 써야 한다.


'자동제어 > 전장설계' 카테고리의 다른 글
| 전장설계(제어반) 완료 후 기계와 결합 (0) | 2020.10.16 |
|---|---|
| 단자대 배치영상 - 취부에있어 들어가는 자제 공구 15A단자대 (0) | 2020.08.24 |
| 엔코더 (0) | 2020.08.23 |
| AutoCAD Electrical - 와이어 그리기 (0) | 2020.08.16 |