반응형









평면상의 스케치시 모따기 모깍기는 안한다. ???
스케치 종료 후 모습이다.


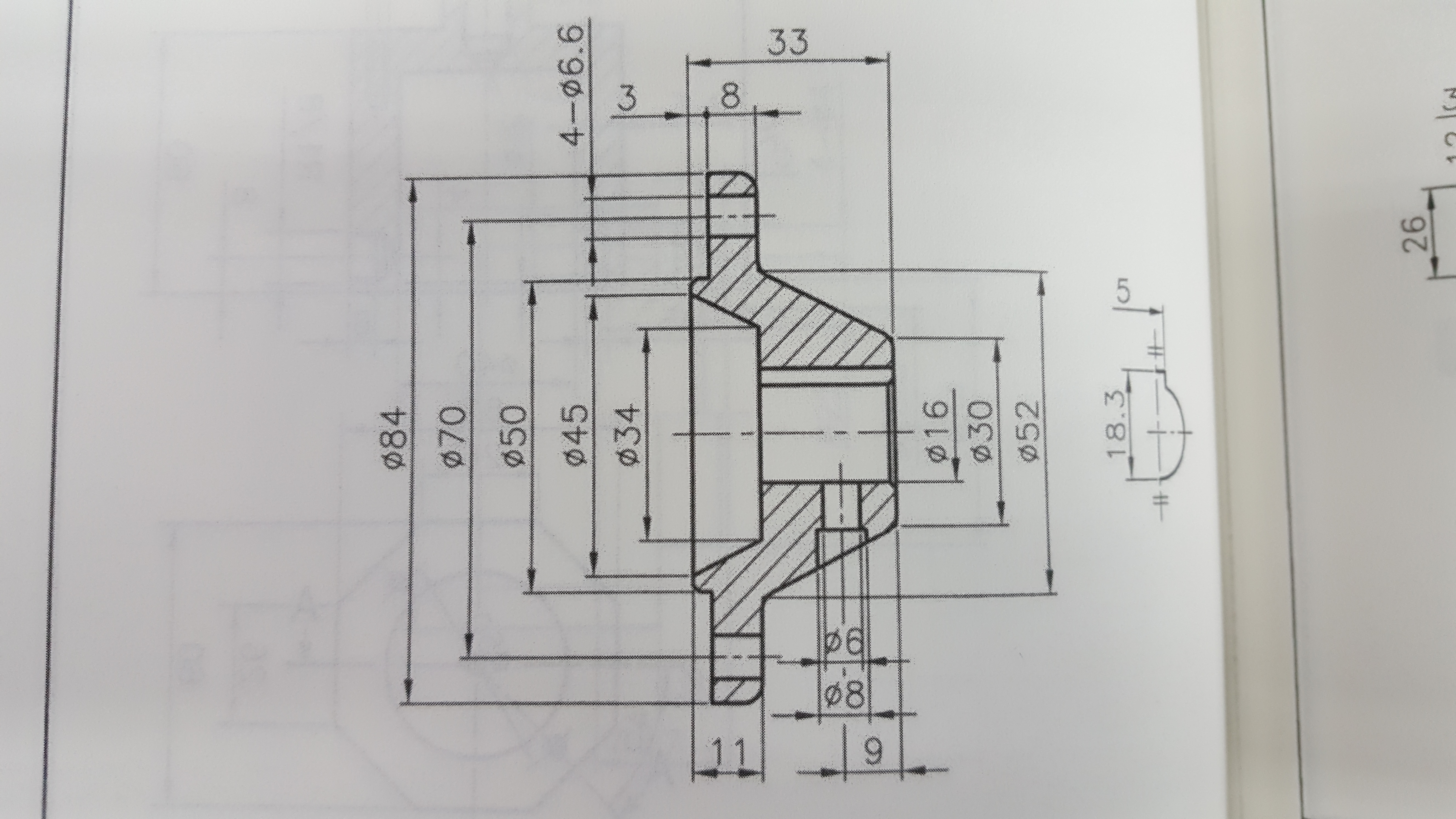
270도 사분점에 카운터보링을 해주어야 한다.
카운터보링 스케치를 위해 정면을 데이텀으로 잡고 작업한다.
Ctrl + 1 눌러도 된다.


점이 아닌 회전컷을 이용한 카운터보링을 해준다.
한쪽만 스케치한다.
회전보스로 마무리 한다.






작업중
'솔리드웍스 > 로봇모델링' 카테고리의 다른 글
| 로봇모델링 6일차(0529) - 189p 조(jaw) (0) | 2020.05.29 |
|---|---|
| 로봇모델링 6일차(0529) - 188p (0) | 2020.05.29 |
| 로봇모델링 5일차(0521) - 179 (드라이버 만들기) (0) | 2020.05.22 |
| 로봇모델링 5일차(0521) - 151 (얼음상자 만들기) (0) | 2020.05.22 |
| 로봇모델링 4일차(0515) - 과제평가 (0) | 2020.05.15 |