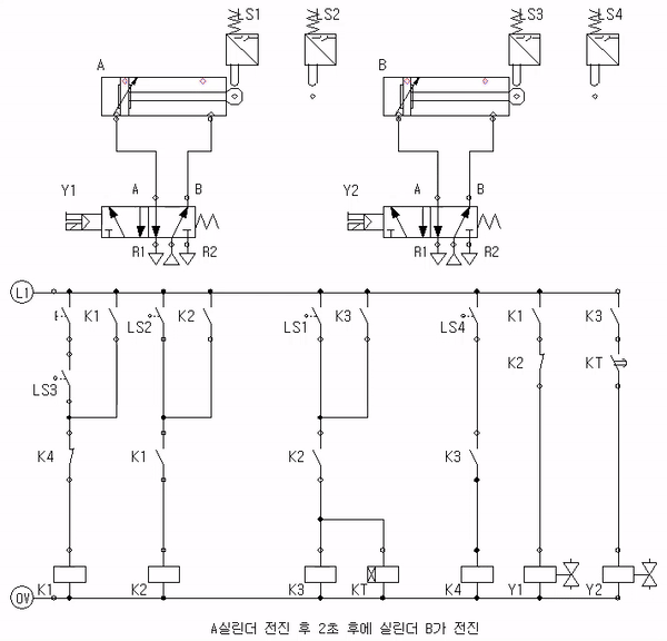
반응형

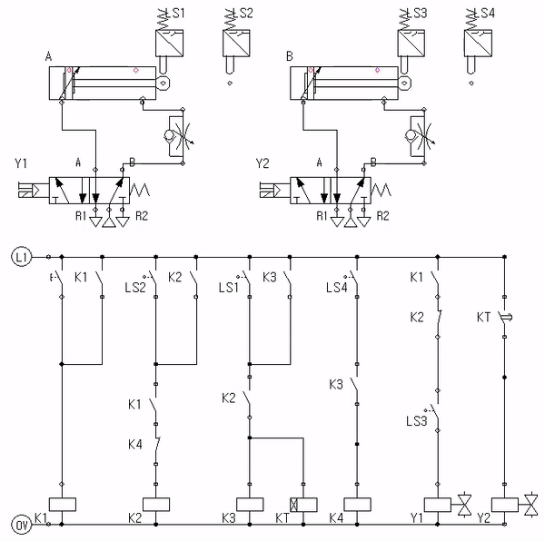
위의 회로를 반목 동작하는 회로로 수정하였다.
계속 반복을 하려면 첫 부분인 K1릴레이는 항상 ON상태가 되어야 한다.
다음 단계에서 제어를 해야 한다.
LS3리밋스위치는 전원을 공급하였을때 B접점으로 되어
푸쉬버튼을 누를때 필요한 부분이므로 다른 곳으로 옮긴다.
푸쉬버튼과 관계있는 곳은 K1릴레이와 Y1솔레노이드(A전진)이므로
이곳으로 LS3 B접점을 옮긴다.
LS4리밋스위치는 회로가 재시작을 할 수 있도록
다음 제어라인으로 옮겨야 하는데.... (수정중...)

'공유압' 카테고리의 다른 글
| [공개문제] 설비보전기능사 (0) | 2020.01.07 |
|---|---|
| [공개문제] 공유압기능사 (0) | 2020.01.07 |
| 순수공압 - 시퀀스설계(A+A-B+B-) 신호중복제거 (0) | 2020.01.01 |
| 순수공압 - 리밋밸브에의한 1회왕복 (0) | 2020.01.01 |