반응형
보행자 신호등

--------------- 개선 전 프로그램 --------------- 개선 후 프로그램 (2)

카운터를 이용해 좀더 개선을 해 보았다.

--------------- 개선 후 프로그램 (2)
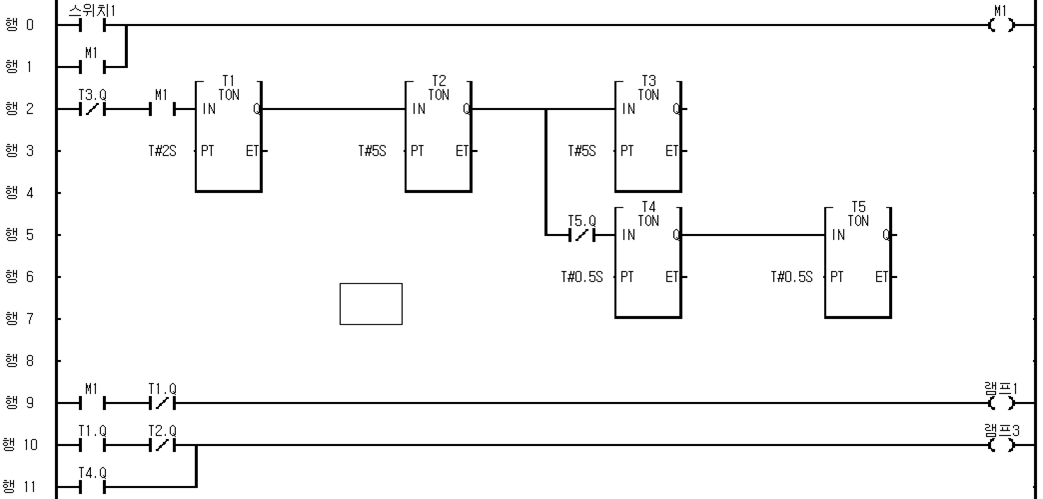
교수님 코드

스위치1을 누르면 즉시 램프1(빨간)이 켜지고
2초 후에 램프3(녹색)이 켜진다.
램프3(녹색)은 5초 동안 켜진상태를 유지한다.
램프3(녹색)가 켜지고 5초 후에
점멸을 시작하고
점멸은 5초 후에 종료된다. (T3.Q 신호로 종료시킨다)
플리커(점멸) 기능 타이머
위와 같이 온딜레이 타이머 2개를 쓰면 점멸기능을 구현 할 수 있다.
이것을 플리커 타이머로 대체할 수 있다.

cf)
1초 간격으로 점멸하는 타이머가 있다.
_T1S
단점은 켜지는 타이밍이 맞지 않아 내가 원할 때 점멸을 할 수 없다.
'자동제어' 카테고리의 다른 글
| 글로파PLC_실린더 2개제어 (A+ A- B+ B-) A편솔, B양솔 (0) | 2020.01.12 |
|---|---|
| 글로파PLC_버튼1개로 램프 ON, OFF (0) | 2019.12.29 |
| 글로파PLC_램프 점멸 (타이머 응용) (0) | 2019.12.29 |
| 글로파PLC_램프 순차 점등 (타이머 응용) (0) | 2019.12.29 |
| 글로파PLC_오프딜레이 타이머 (0) | 2019.12.29 |