솔리드웍스/따라하기 (study cam)
생산자동화 기능사 - 기어가 포함된 축모델링하기 (cad study-솔리드웍스 )
유머인
2020. 3. 17. 17:04
반응형



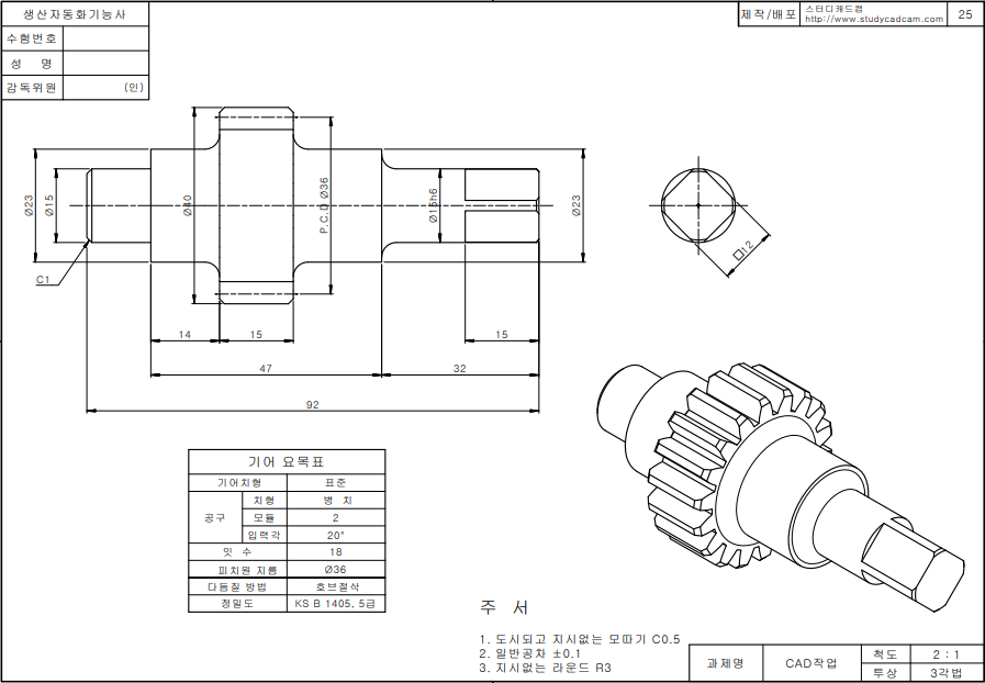
모듈 : 2 , 잇수 18
제일 왼쪽부터
첫번째와 두번째 선의 간격 : 모듈/4 = 0.5
두번째와 세번째 선의 간격 : 2/모듈 = 1
두번째와 네번째 선의 간격 : 1.57

3점호로 양끝을 연결한다.
중간점은 호와 점의 일치 구속조건으로 붙인다.

대칭복사를 하고 나머지 바깥원을 잘라내기 한다.

돌출보스 후(15mm) 모따기(1mm)를 한다.

원형패턴으로 기어를 복사한다.
피처 및 면으로 패턴 복사를 해도 되나
그냥 바디를 잡고 회전시켜 본다.


기어 완성 후 왼쪽면에서 지름23인 원으로 그리고
왼쪽 13mm, 오른쪽 33mm으로 돌출시킨다.

이번에는 오른쪽에 지름14인 원을 그리고
오른쪽으로 32, 왼쪽으로 60(92-32)만큼 돌출시킨다.

오른쪽 사각모양의 네 면을 스케치 한다.
아래와 같이 보조선을 생성하고 x 선에 대해 옵션을 양쪽으로 적용해서
마름모꼴로 스케치를 한다.


스케치 종료 후 피처-돌출 컷으로 15mm만큼 잘라준다.

끝부분 모따기 (도시되고 지시없는) 0.5mm를 해준다.

필렛 처리 3곳을 해준다.

왼쪽 끝부분 모따기(C1) 해준다.

[완성된 모델링]

[작업파일]
이 게시물의 내용은
유투브 채널 'CAD STUDY'의 동영상을 따라하며 정리하였습니다.
https://www.youtube.com/channel/UCRYkzvpZm9tOJ0F0ppu-9MQ
추가 자료는 네이버카페 "파워아카데미"를 참고하였습니다.