전기유압 12 (설비보전기사)
1. 요구사항
가~마. ~~~ 생략 ~~~
바. 유압 공급압력은 4MPa가(오차 +-50KPa) 되도록 한다.
2. 기본제어동작
1) 초기상태에서 시작 스위치(PB1)를 ON-OFF하면 유압실린더 A가 전진과 동시에 유압모터 B는 시계 방향으로 회전하고 유압실린더 A가 전진 완료 후, 후진과 동시에 유압모터 B는 반시계 방향으로 회전하며 유압실린더 A가 후진 완료되면 유압모터 B는 정지되어야 한다.
(A+ & B+) (B- & A-)
3) 응용제어동작
1) 연속 선택 스위치(PB2)와 연속 정지 스위치(PB3)를 추가하여 다음과 같이 동작되어야 한다.
① 연속 선택 스위치(PB2)를 한 번 누르면 기본제어 동작이 연속(반복 자동행정)으로 동작 한다.
② 연속 정지 스위치(PB3)를 한 번 누르면 실린더 A는 전진 완료 후 정지하고, 모터 B는 즉시 정지하여야 한다.
2) 유압실린더 A의 전, 후진 속도를 meter-in 방법에 의해 조정할 수 있게 유압회로를 변경하고, 전진속도는 7초, 후진속도 5초가 되도록 조정한다.
3) 유압모터 B의 정, 역방향 회전 속도가 동일하도록 입력라인에 양방향 유량제어 밸브를 설치, 속도를 조정할 수 있게 유압회로를 변경하고 조정한다.
4. 도 면
가. 유압 회로도

나. 전기 회로도

[ 해결하기 ]
양솔1개 : 실린더 전후진.
편솔1개 : 모터 정회전, 역회전.
편솔1개 : 모터 동작 시점 제어.
릴레이 코일 3개.
a접점과 b접점을 사용한 스테퍼방식 회로임
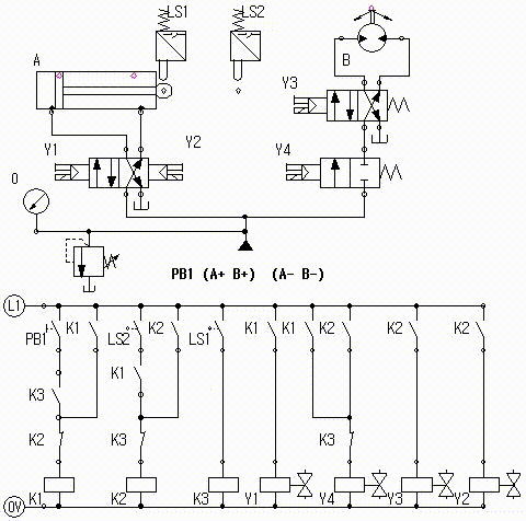
기본제어동작
1) 초기상태에서 시작 스위치(PB1)를 ON-OFF하면 유압실린더 A가 전진과 동시에 유압모터 B는 시계 방향으로 회전하고 유압실린더 A가 전진 완료 후, 후진과 동시에 유압모터 B는 반시계 방향으로 회전하며 유압실린더 A가 후진 완료되면 유압모터 B는 정지되어야 한다.
(A+ & B+) (B- & A-)

답안을 참고하여 회로도를 재작성해보았다.
그런데 실린더가 전진할때 모터가 역회전한다. 답안이 잘 못 된 듯하다.

Y3를 작동시키는 K2 a접점을 K1 a접점으로 수정하면 시계방향으로 회전한다.
실제 배선을 하고 테스트해봐야 알겠다.
우선은 K2 a접점을 K1 a접점으로 변경하고 작업을 이어 나간다.

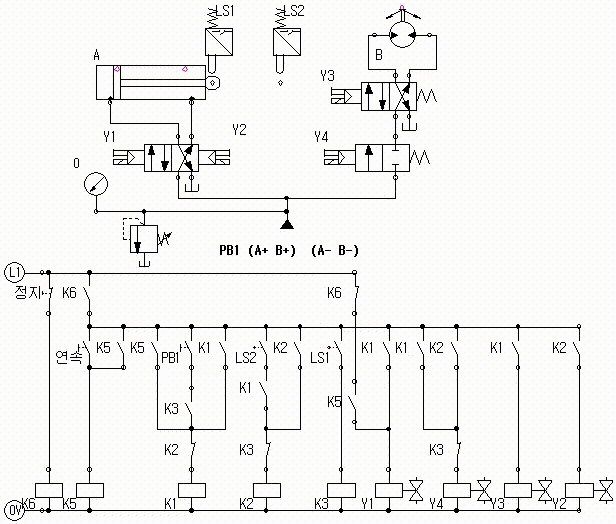
응용제어동작
1) 연속 선택 스위치(PB2)와 연속 정지 스위치(PB3)를 추가하여 다음과 같이 동작되어야 한다.
① 연속 선택 스위치(PB2)를 한 번 누르면 기본제어 동작이 연속(반복 자동행정)으로 동작 한다.
② 연속 정지 스위치(PB3)를 한 번 누르면 실린더 A는 전진 완료 후 정지하고, 모터 B는 즉시 정지하여야 한다.

정지 버튼을 누르면 실린더 전진을 위해 Y1 솔레노이드를 작동시킨다.
K6의 b접점으로 Y1을 동작시킬 때 K5 a접점은 필요없다. 프로그램이 오동작을 하기 때문에 넣어주었을 뿐이다.
응용제어동작
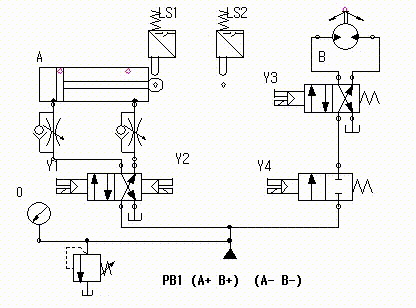
2) 유압실린더 A의 전, 후진 속도를 meter-in 방법에 의해 조정할 수 있게 유압회로를 변경하고, 전진속도는 7초, 후진속도 5초가 되도록 조정한다.

응용제어동작
3) 유압모터 B의 정, 역방향 회전 속도가 동일하도록 입력라인에 양방향 유량제어 밸브를 설치, 속도를 조정할 수 있게 유압회로를 변경하고 조정한다.

5. 답 안
가. 기본 전기회로도

나. 응용 전기회로도

다. 응용 유압회로도

