전기공압 9 (설비보전기사)
1. 요구사항
가~마. 생략...
바. 서비스 유닛의 공급압력은 5MPa가(오차 +-50KPa) 되도록 한다.
2. 기본제어동작
1) 공압 구성작업에서 실린더 A는 유도형 센서나 용량형 센서 또는 전기 리드 센서를 사용하고 실린더 B는 전기 리밋 스위치를 사용하여 구성하여야 한다.
2) 초기상태에서 PB2 스위치를 ON-OFF한 후 PB1 스위치를 ON-OFF하면 변위-단계선도와 같이 실린더 A가 전진하고 실린더 A가 전진완료하면 실린더 B가 전,후진 완료 후 실린더 A가 후진한다.
3. 응용제어동작
1) 연속 스위치를 추가하여 다음과 같이 동작하도록 한다.
① 연속 스위치를 선택하면 기본제어동작이 연속 행정으로 되어야 한다.
2) 카운트와 램프를 추가하여 다음과 같이 동작하도록 한다.
① 연속 사이클 횟수를 5회로 설정하고 그 사이클이 완료된 후 정지하여야 한다.
② 연속 사이클이 완료되면 램프가 점등되도록 회로를 구성한다.
3) A 실린더 전,후진속도와 B 실린더의 전,후진속도를 조절할 수 있도록 배기공기 교축(meter-out) 방법을 회로에 추가한다.
4. 도 면
가. 위치도 나. 변위-단계선도

다. 공압 회로도

라. 전기 회로도

[ 해결하기 ]
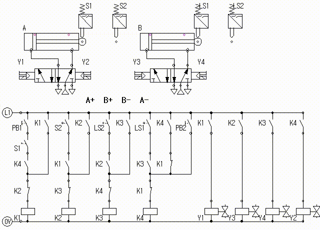
기본제어동작
초기상태에서 PB2 스위치를 ON-OFF한 후 PB1 스위치를 ON-OFF하면 변위-단계선도와 같이 실린더 A가 전진하고 실린더 A가 전진완료하면 실린더 B가 전,후진 완료 후 실린더 A가 후진한다.

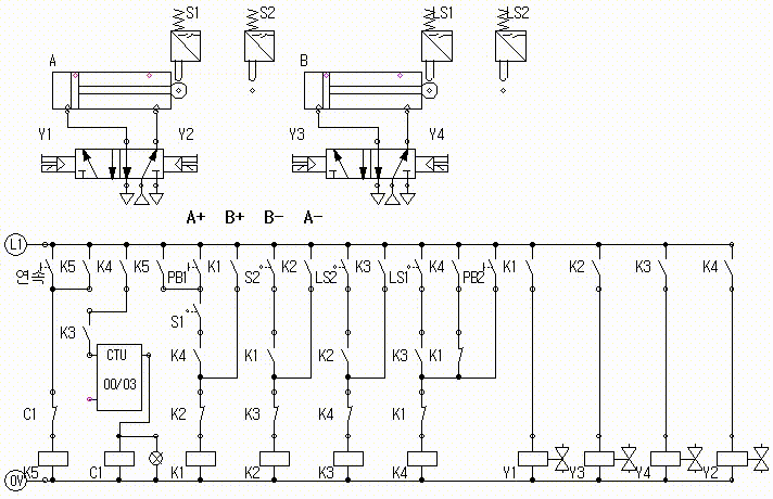
응용제어동작
1) 연속 스위치를 추가하여 다음과 같이 동작하도록 한다.
① 연속 스위치를 선택하면 기본제어동작이 연속 행정으로 되어야 한다.

응용제어동작
2) 카운트와 램프를 추가하여 다음과 같이 동작하도록 한다.
① 연속 사이클 횟수를 5회로 설정하고 그 사이클이 완료된 후 정지하여야 한다.
② 연속 사이클이 완료되면 램프가 점등되도록 회로를 구성한다.
*** 시뮬레이션에서는 횟수를 3회로 설정함

시작부분에 '연결되지 않은 요소가 있습니다'라는 메시지 창이 뜨는데 카운터의 리셋 접점(아래 그림의 녹색)을 연결하지 않아서 뜨는 것이다. 문제에 리셋 연결조건이 없어서 연결하지 않음. 연결 하지 않아도 동작은 된다.
그리고 아래의 K3(붉은색 부분) 접점은 필요가 없다.
처음에 전원을 넣으면 카운터 라인의 K4접점이 붙어서 카운터가 하나 올라간다. 이 현상은 프로그램의 버그이다.
그래서 처음에 카운터가 1올라가는 것을 방지하기 위해 K3 a접점을 넣었을 뿐이다. 실제 배선할 때는 빼야 한다.

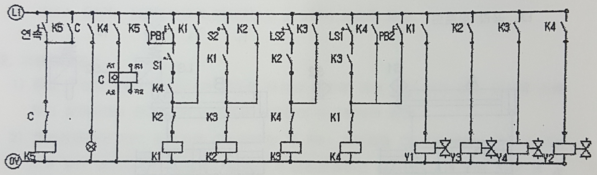
응용제어동작
3) A 실린더 전,후진속도와 B 실린더의 전,후진속도를 조절할 수 있도록 배기공기 교축(meter-out) 방법을 회로에 추가한다.

5. 답 안
가. 기본 전기회로도

나. 응용 전기회로도

다. 응용 공압회로도
