전기공압 8 (설비보전기사)
1. 요구사항
가~마. 생략...
바. 서비스 유닛의 공급압력은 5MPa가(오차 +-50KPa) 되도록 한다.
2. 기본제어동작
1) 공압 구성작업에서 실린더 A는 유도형 센서나 용량형 센서 또는 전기 리드 센서를 사용하고 실린더 B는 전기 리밋 스위치를 사용하여 구성하여야 한다.
2) 초기상태에서 시작스위치(PB1)를 ON-OFF하면
실린더 A가 전진하고 실린더 A가 전진완료 후 실린더 A가 후진하고 실린더 A가 후진 완료하면, 실린더 B가 전진하고 실린더 B가 전진 완료 후 실린더 B가 후진하고 실린더 B가 후진 완료하면 동작을 멈추고 정지한다.
3. 응용제어동작
1) 기존 회로에 타이머를 사용하여 다음과 같이 동작되도록 한다.
① 실린더 A가 전진 완료 후 실린더 A가 후진하고 실린더 A가 후진 완료 후 3초 후에 실린더 B가 전진하고 실린더 B가 전진 완료 후 실린더 B가 후진 완료하고 정지한다.
2) 시작스위치(PB1) 외에 연속동작 스위치(PB2)와 카운터를 사용하여 연속 사이클 회로(반드시 회로를 구성하고 잠금장치 스위치는 사용불가)를 구성하여 다음과 같이 동작되도록 한다.
① 연속동작 스위치(PB2)를 누르면 연속 사이클로 계속 동작 한다.
연속동작 중에 비상정지 스위치를 누르면 A실린더는 전진하고 B실린더는 후진하여 정지한다.
② 연속사이클 횟수를 3회로 설정하고 그 사이클이 완료된 후 정지하여야 한다.
3) 실린더 A의 후진속도는 3초, 실린더 B의 전진속도는 5초가 되도록 교축(meter-out)회로를 조정한다.
4. 도 면
가. 위치도 나. 변위 단계선도

다. 공압 회로도

라. 전기 회로도

[ 해결하기 ]
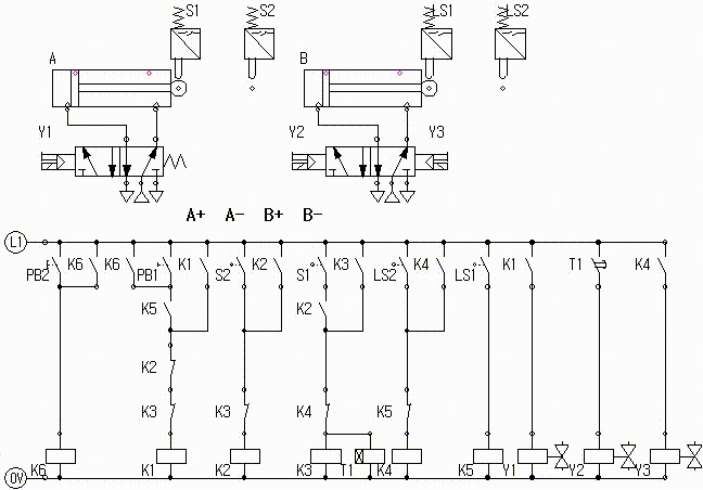
기본제어동작
초기상태에서 시작스위치(PB1)를 ON-OFF하면
실린더 A가 전진하고 실린더 A가 전진완료 후 실린더 A가 후진하고 실린더 A가 후진 완료하면, 실린더 B가 전진하고 실린더 B가 전진 완료 후 실린더 B가 후진하고 실린더 B가 후진 완료하면 동작을 멈추고 정지한다.

응용제어동작
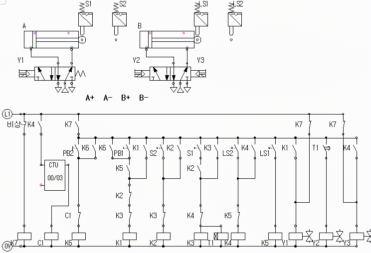
1) 기존 회로에 타이머를 사용하여 다음과 같이 동작되도록 한다.
① 실린더 A가 전진 완료 후 실린더 A가 후진하고 실린더 A가 후진 완료 후 3초 후에 실린더 B가 전진하고 실린더 B가 전진 완료 후 실린더 B가 후진 완료하고 정지한다.

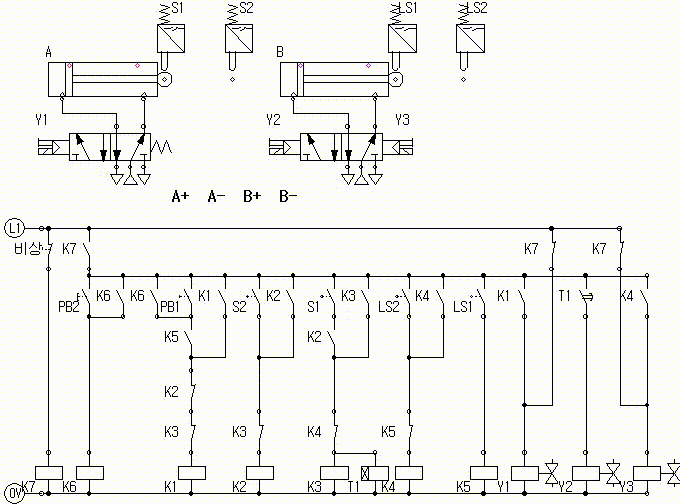
응용제어동작
시작스위치(PB1) 외에 연속동작 스위치(PB2)와 카운터를 사용하여 연속 사이클 회로(반드시 회로를 구성하고 잠금장치 스위치는 사용불가)를 구성하여 다음과 같이 동작되도록 한다.
① 연속동작 스위치(PB2)를 누르면 연속 사이클로 계속 동작 한다.
연속동작 중에 비상정지 스위치를 누르면 A실린더는 전진하고 B실린더는 후진하여 정지한다.
② 연속사이클 횟수를 3회로 설정하고 그 사이클이 완료된 후 정지하여야 한다.
① 연속동작 - 오류동작

① 연속동작

① 연속동작 + 비상정지

② 연속동작 + 비상정지 + 연속사이클 3회

응용제어동작
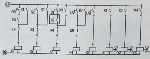
실린더 A의 후진속도는 3초, 실린더 B의 전진속도는 5초가 되도록 교축(meter-out)회로를 조정한다.

5. 답 안
가. 기본 전기회로도

나. 응용 전기회로도

다. 응용 공압회로도
