솔리드웍스/중급으로가기...
V-belt pulley (V-벨트 풀리) 194p
유머인
2020. 6. 19. 09:46
반응형
한쪽만 스케치하고 360도 회전을 준다.
휠로 되어 있는 것들은 한쪽만 스케치 후 회전을 한다.
재질이 회주철 계통의 주물이다.
구조,형상이 복잡한데 어렵지는 않을 것이다.
초기 데이텀은 정면으로 잡는다.
내부모양과 외부모양을 보여주는 반단면도를 작성한다.
모터로부터 발생한 힘을 직접, 간접으로 전달하는 방식이 있는데
브이벨트풀리는 기계요소부품으로서 간접전동요소이다.
1. 형별 : 1순위
M(小) A < B < C < D < E (大)
M형은 벨트 하나로 되어 있다. 1단만 쓰인다.
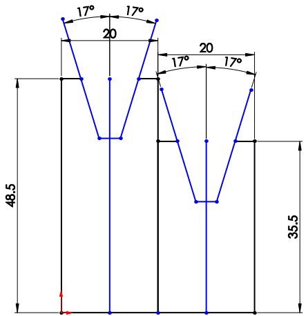
2. 압력각(알파) 34도. 36도, 38도, 40도 : 3순위
3. PCD (피치원지름) : 2순위 (호칭지름)
4. 이끝원 VS 이뿌리원
5. V-벨트 장력 고려해야 한다.
6. 재질은 회주절 GC200으로 한다.
PCD : 88mm, 62mm
형별은 M A B -> 압력각 결정
M형의 50이상~71이하
M형의 71이상~90이하 34도로 결정된다.
벨트나 체인은 장력이 중요하다.
힘을 전달하다보면 어느 순간에 느슨해진다.
벨트가 끊어지는 경우가 생길 수 있다.














솔리드웍스 작업파일 - 작업중
각 부품을 모델링한다.
부품을 어셈블리 화면으로 불러온다.
메이트 조립 조건 정의하기
어셈블리 분해 및 분해 해제하기
분해 지시선 스케치하기
1. Clamp_Base

2. Clamp_Cap
3. Clamp_Shaft
4. Clamp_Nut
5. Clamp_Pin