솔리드웍스/실습(생자기능사CAD_45문제)
생산자동화기능사 CAD작업(01번) 모델링
유머인
2020. 6. 2. 17:29
반응형

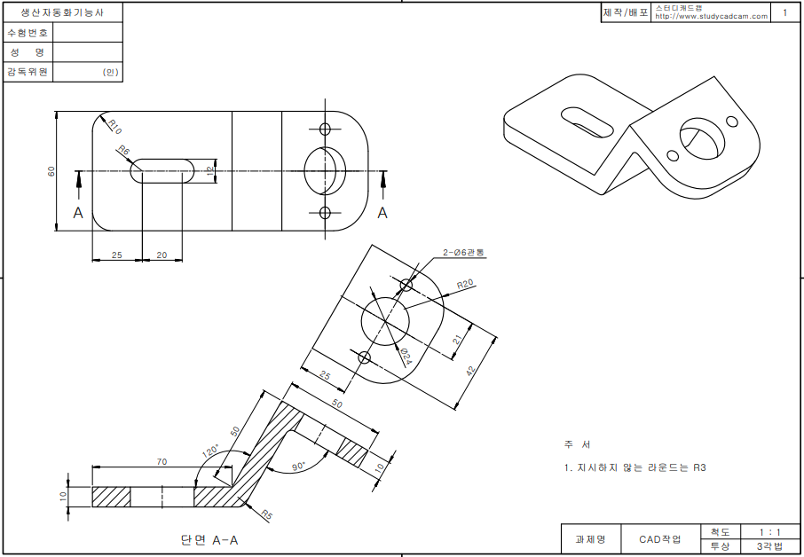
초기 작업 기준면(데이텀)을 정면으로 하고 아래와 같이 스케치 한다.
선 하나가 완전 구속이 되지 않았지만
돌출작업을 진행한다.

돌출보스를 60만큼 준다.

왼쪽 형상의 윗면을 선택하고 스케치 작업을 한다.

중심선을 수평으로 긋고 직선홈을 아래와 같이 스케치 한다.

스케치 종료 후에 돌출컷 작업을 한다.

돌출 작업 후에 왼쪽 모서리에 필렛을 10만큼 적용해준다.

왼쪽 형상 작업을 마치면 오른쪽 면을 클릭하고 스케치 작업을 한다.

중심선을 긋고 원 두개를 아래와 같이 스케치한다.

상단의 작은 원을 '요소대칭복사'를 해준다.

대칭 복사 후에 두 원의 간격을 설정해야 한다.
한쪽 원과 중심점을 치수 구속을 21로 시켜준다.

스케치 종료 후에 관통작업을 해준다.

필렛을 오른쪽 모서리 2곳에 해주고 모델링을 완성한다.

완성 모델링

솔리드웍스 작업파일
