전기 & 전자/승강기 실기
승강기 운전 제어회로 구성 (200518)
유머인
2020. 5. 18. 21:49
반응형
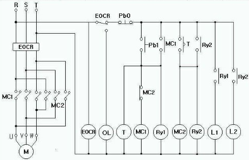
승강기 운전 제어회로 구성


동작 설명 :
모터는 램프로 대체함
전원이 공급되면 EOCR이 여자되어서 과전류가 흐르는지 감시하고 있다.
pb1(녹색) 스위치를 누르면
MC1, 릴레이(Ry1), 타이머(T)가 여자된다.
MC1이 여자되어 모터는 정회전(램프 점등)하고
MC1이 자기유지가 됨으로서 릴레이(Ry1)이 여자되어 L1램프(적색)가 점등된다.
ON-Delay 타이머(T1)가 여자된다.
타이머(T1)가 여자되고 T초 후가 되면
MC2, 릴레이(Ry2)가 여자된다.
MC2가 여자되어 모터는 역회전(램프 점등)하고 (MC1은 소자)
MC2가 자기유지 됨으로서 릴레이(Ry2)가 여자되어 L2램프(녹색)가 점등된다.
(릴레이Ry1이 소자되고 L1램프가 소등)
동작중에 pb0(적색) 스위치를 누르면
모든 장치가 초기화되어
모터가 정지되고 램프도 모두 소등된다.
과전류가 흐를때 EOCR의 b접점이 단락되고
a접점이 붙어서 OL램프(흰색)가 점등된다.
동작 영상 :
https://www.youtube.com/watch?v=mm89nyGiejQ
Content provider is K.Y.W