솔리드웍스/실습(생자기능사CAD_45문제)
생산자동화기능사 CAD작업(16번) 모델링
유머인
2020. 5. 11. 08:17
반응형


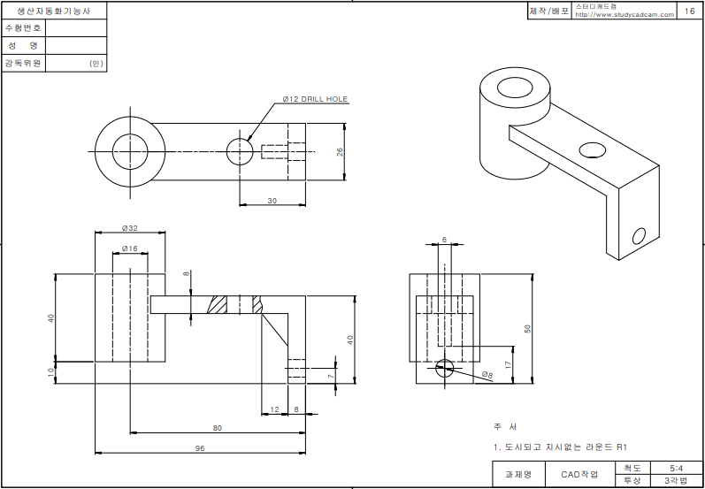
윗면을 데이텀 기준면으로 잡고
아래와 같이 스케치 작업을 한다.
스케치를 기준으로 왼쪽의 원통형상과 오른쪽의 사각형 형체를 돌출시킨다.
스케치를 기준으로 양쪽평면으로 돌출되게 작업한다.













완성된 모델링