솔리드웍스/실습(생자기능사CAD_45문제)
생산자동화기능사 CAD작업(28번) 모델링
유머인
2020. 5. 11. 08:07
반응형

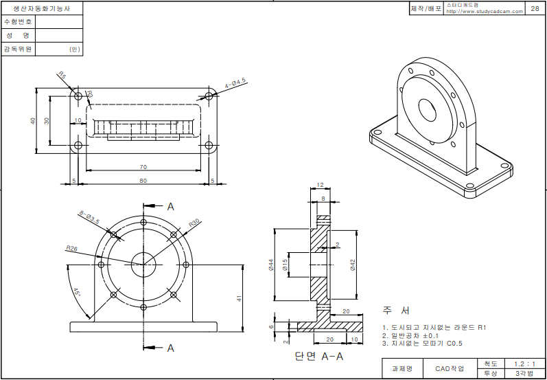
이 모델링은 2020년 1회 생산자동화기능사 시험에 출제되었다.
평면도 부분은 문제에서 빠졌다.
정면도와 우측면도 등각투상도만 문제로 주어졌다.

시간이 없는 관계로 이 후에 작업해본다.